EasyManua.ls Logo

Carrier BT30RF- EXPR - Page 30

Carrier BT30RF- EXPR
111 pages
Print Icon
To Next Page IconTo Next Page
To Next Page IconTo Next Page
To Previous Page IconTo Previous Page
To Previous Page IconTo Previous Page
Loading...
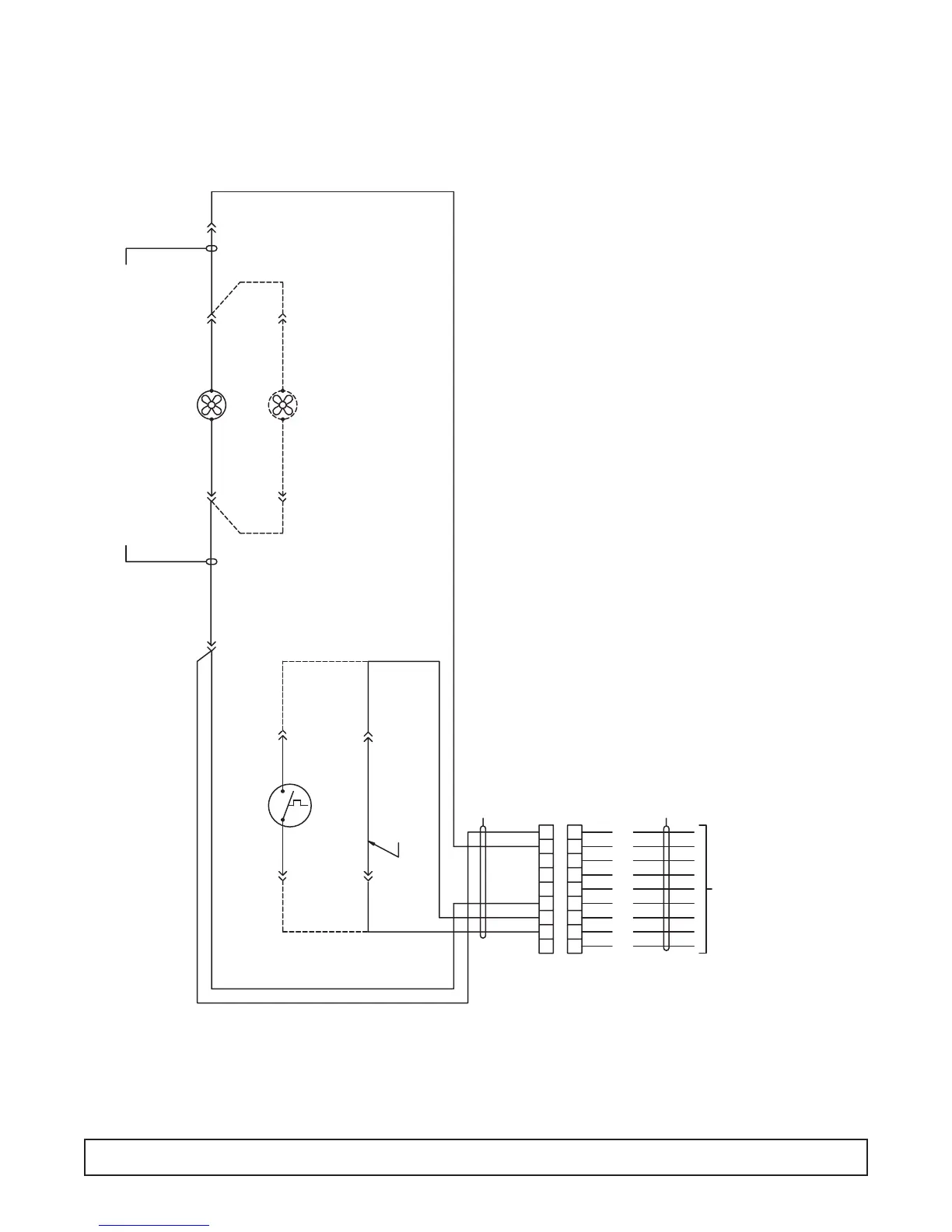
EVAPORATOR WIRING DIAGRAM – 00-0050-*
OE
OE
BN
WE
EVAP FAN/S
REMOTE
T' STAT
CAVITY
HARNESS- EVAPORATOR AREA
GROUP -02
EVAPORATOR AREA
(REMOVE JUMPER WHEN
INSTALLING THERMOSTAT)
MOUNTED
CAVITY T'STAT
1 FAN
2 FANS
WEWE
BKBK
BN
BN BK BK WE
BN
OE
OE OE
OE
USE WITH
MOUNTED
HARNESS- EVAPORATOR FAN EXTENSION
GROUP -01; 1 DOOR
GROUP -02; 2 DOOR/3 DOOR
SPADESPADE
1432765
98
OE
YW
PE
BN
BE
RD
GY
WE
BK
TO ELECTRICAL BOX
HARNESS- MAIN CABINET
(EXIT EVAPORATOR AREA)
OE
123456789
BN
BK
BK
MED. TEMP MODELS
*GR.-01
WIRING DIAGRAM 29

Related product manuals