EasyManua.ls Logo

Carrier Performance 50VR-K - Page 22

Carrier Performance 50VR-K
32 pages
Print Icon
To Next Page IconTo Next Page
To Next Page IconTo Next Page
To Previous Page IconTo Previous Page
To Previous Page IconTo Previous Page
Loading...
50VR-K: Installation Instructions
Manufacturer reserves the right to change, at any time, specifications and designs without notice and without obligations.
22
A230221
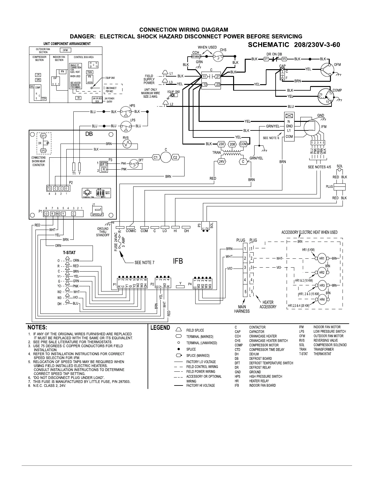
Fig. 16 – Connection Wiring Diagram 208/230-3-60

Related product manuals