EasyManua.ls Logo

Case IH 91 Series - Page 25

Case IH 91 Series
35 pages
Print Icon
To Next Page IconTo Next Page
To Next Page IconTo Next Page
To Previous Page IconTo Previous Page
To Previous Page IconTo Previous Page
Loading...
Manual No. 016-5032-006 21
Cab Component Installation
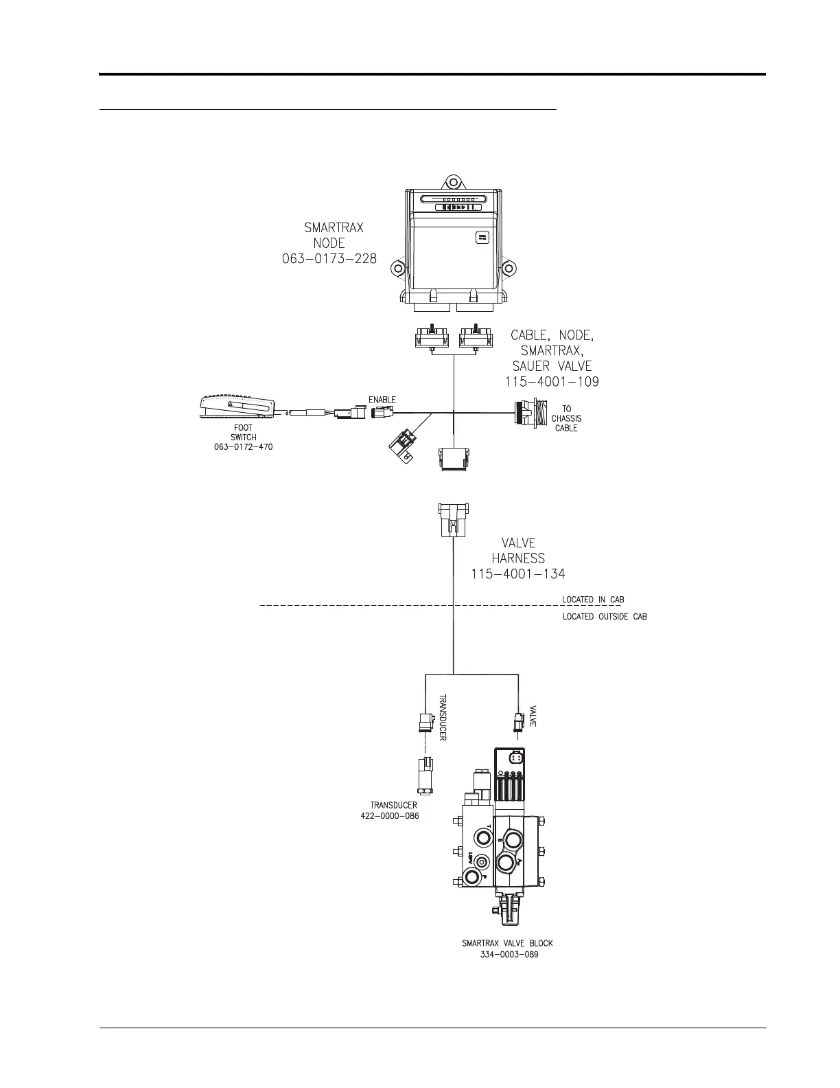
FIGURE 7. Valve Harness Wiring Diagram