EasyManua.ls Logo

Cast Tec Integra - Page 12

Cast Tec Integra
20 pages
Print Icon
To Next Page IconTo Next Page
To Next Page IconTo Next Page
To Previous Page IconTo Previous Page
To Previous Page IconTo Previous Page
Loading...
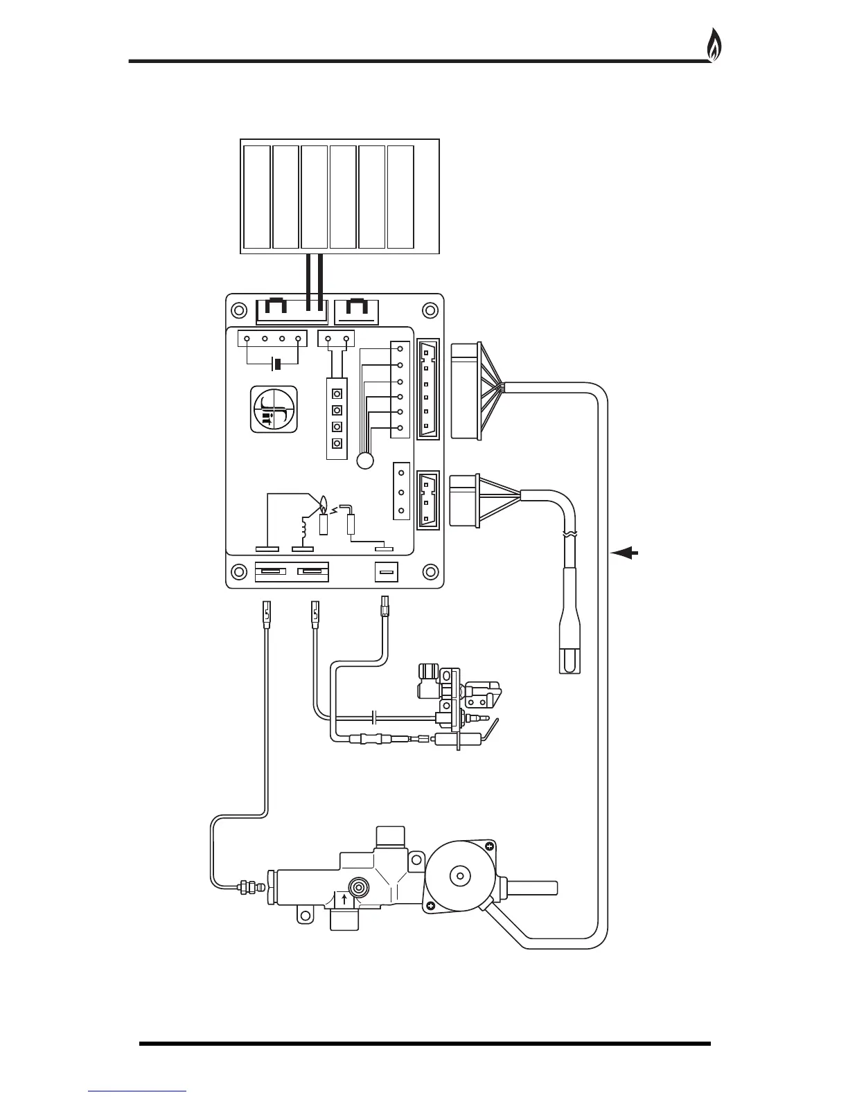
REMOTE CONTROL COMPONENT LAYOUT
12
J1
J
3J4
J2
J5
J6 J7
SUPPLY
ACS2 IR/RFT
CONTROL PANEL
P
ILOT
+
9V
SPARK IGNITER/
F
LAME SENSOR
I.R. RECEIVER
5
S
M
Motorised valve
Pilot assembly
Control panel
Battery Holder
6 x AA
Front
I.R. sensor
Fig. 10