EasyManua.ls Logo

CBE PC150-EL - PC150-EL Wiring Diagram; Detailed Electrical Schematics

CBE PC150-EL
Print Icon
To Next Page IconTo Next Page
To Next Page IconTo Next Page
To Previous Page IconTo Previous Page
To Previous Page IconTo Previous Page
Loading...
R
S
+
PTC
AES
B2
CARICA
BATTERIE
SEPARATORE
ELETTRONICO
SCHEDA
ELETTRONICA
Min.Tens.<10V
5A
10A
20A
20A
20A
25A
3A
30A
50A
Relè
Relè
Relè
Relè
70A
A
B
B1
50A
10A
Relè
PC150-EL
AUX
3A
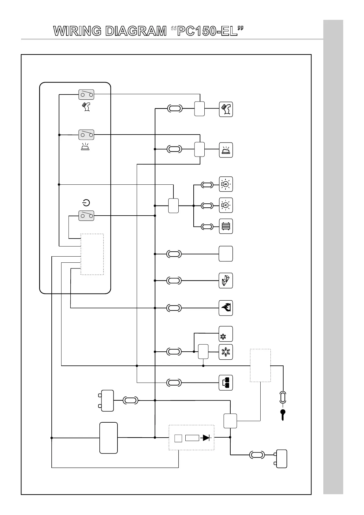
WIRINGDIAGRAM PC150-EL”
57

Table of Contents

Related product manuals