EasyManua.ls Logo

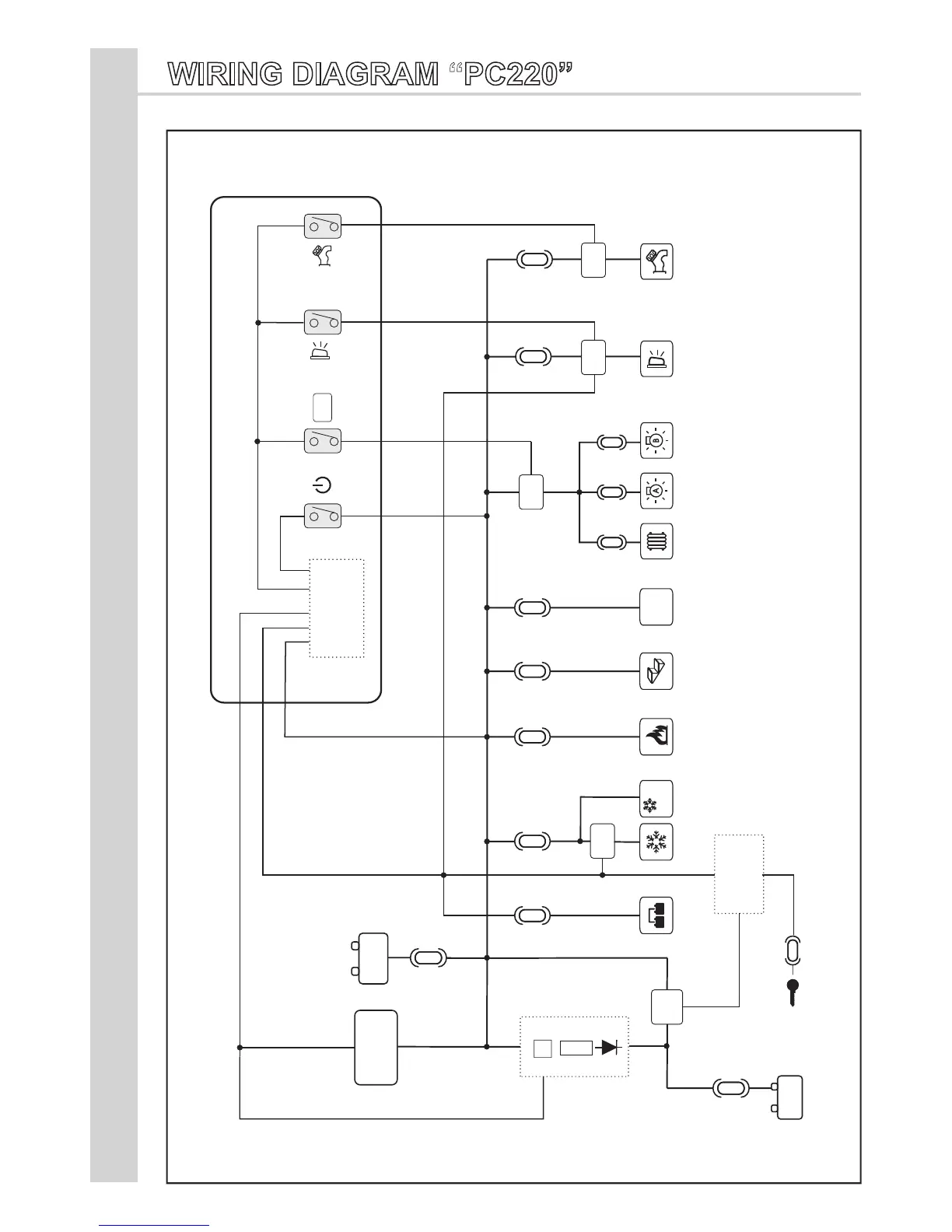
CBE pc220 - ELECTRICAL WIRING SCHEMATICS; PC220 Wiring Diagram Details

CBE pc220
Print Icon
To Next Page IconTo Next Page
To Next Page IconTo Next Page
To Previous Page IconTo Previous Page
To Previous Page IconTo Previous Page
Loading...
WIRINGDIAGRAM PC220”
42
R
S
+
PTC
AES
B2
CARICA
BATTERIE
SEPARATORE
ELETTRONICO
SCHEDA
ELETTRONICA
Min.Tens.<10V
5A
10A
20A
20A
20A
25A
3A
30A
50A
Relè
Relè
Relè
Relè
70A
A
B
B1
50A
10A
Relè
PC220
AUX
3A
12V

Related product manuals