EasyManua.ls Logo

CEA Rainbow 180 - Page 52

CEA Rainbow 180
Print Icon
To Next Page IconTo Next Page
To Next Page IconTo Next Page
To Previous Page IconTo Previous Page
To Previous Page IconTo Previous Page
Loading...
52
I
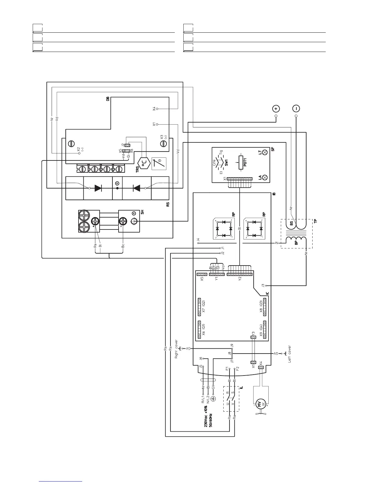
Schema elettrico
UK
Wiring diagram
F
Schéma électrique
2101F504
D
Schaltplan
E
Esquema eléctrico
NL
Elektrisk skema

Table of Contents

Related product manuals