EasyManua.ls Logo

CEA SMARTMIG T25 - Wiring Diagram; Schéma Électrique; Schaltplan

CEA SMARTMIG T25
Print Icon
To Next Page IconTo Next Page
To Next Page IconTo Next Page
To Previous Page IconTo Previous Page
To Previous Page IconTo Previous Page
Loading...
64
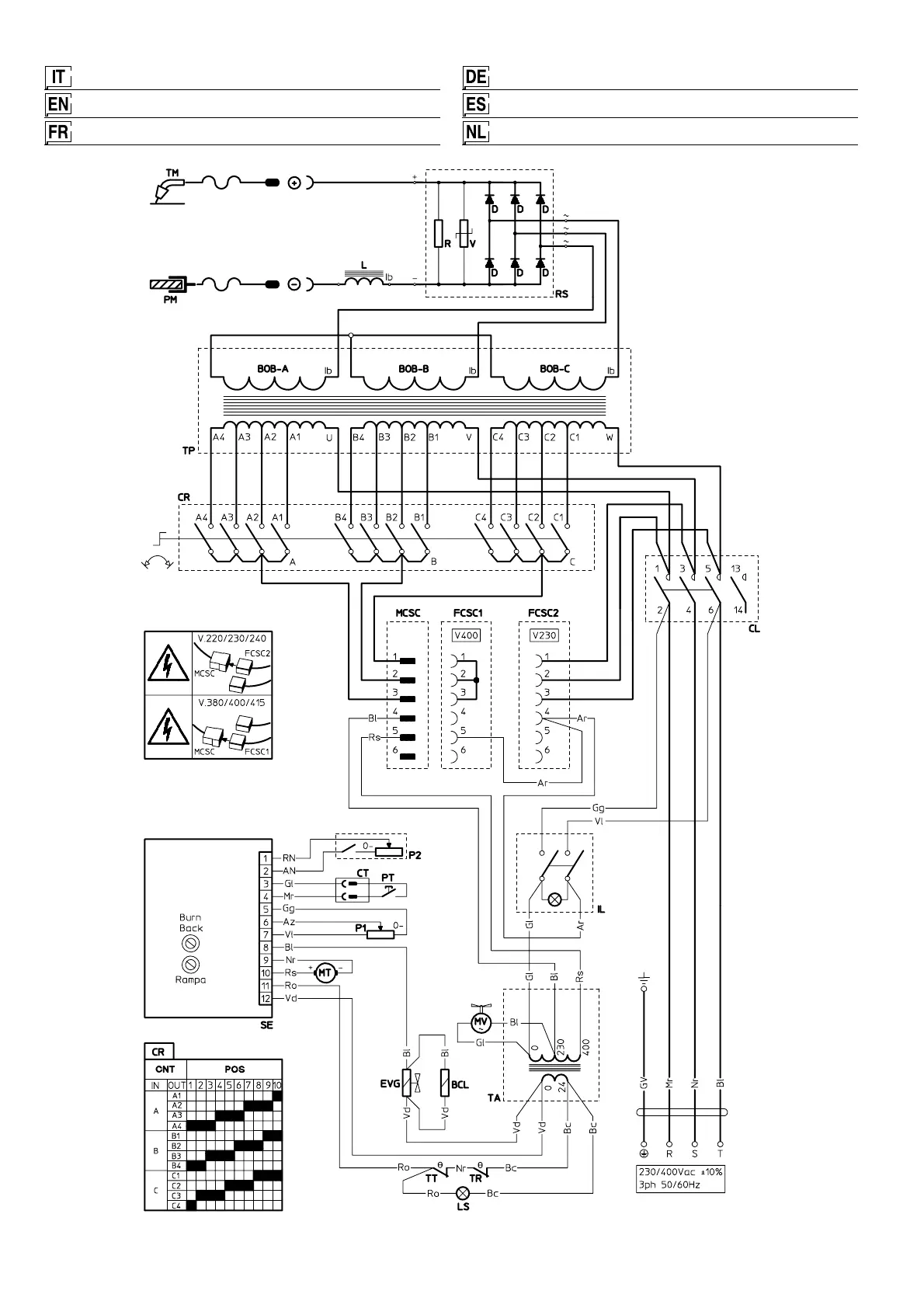
Schema elettrico
Wiring diagram
Schéma électrique
Schaltplan
Esquema eléctrico
Elektrisk skema
2101A725

Table of Contents

Related product manuals