EasyManua.ls Logo

CEA SMARTMIG T25 - Esquema Eléctrico; Forbindelsesdiagram; Elektiska Schema; Sähkökaavio

CEA SMARTMIG T25
Print Icon
To Next Page IconTo Next Page
To Next Page IconTo Next Page
To Previous Page IconTo Previous Page
To Previous Page IconTo Previous Page
Loading...
66
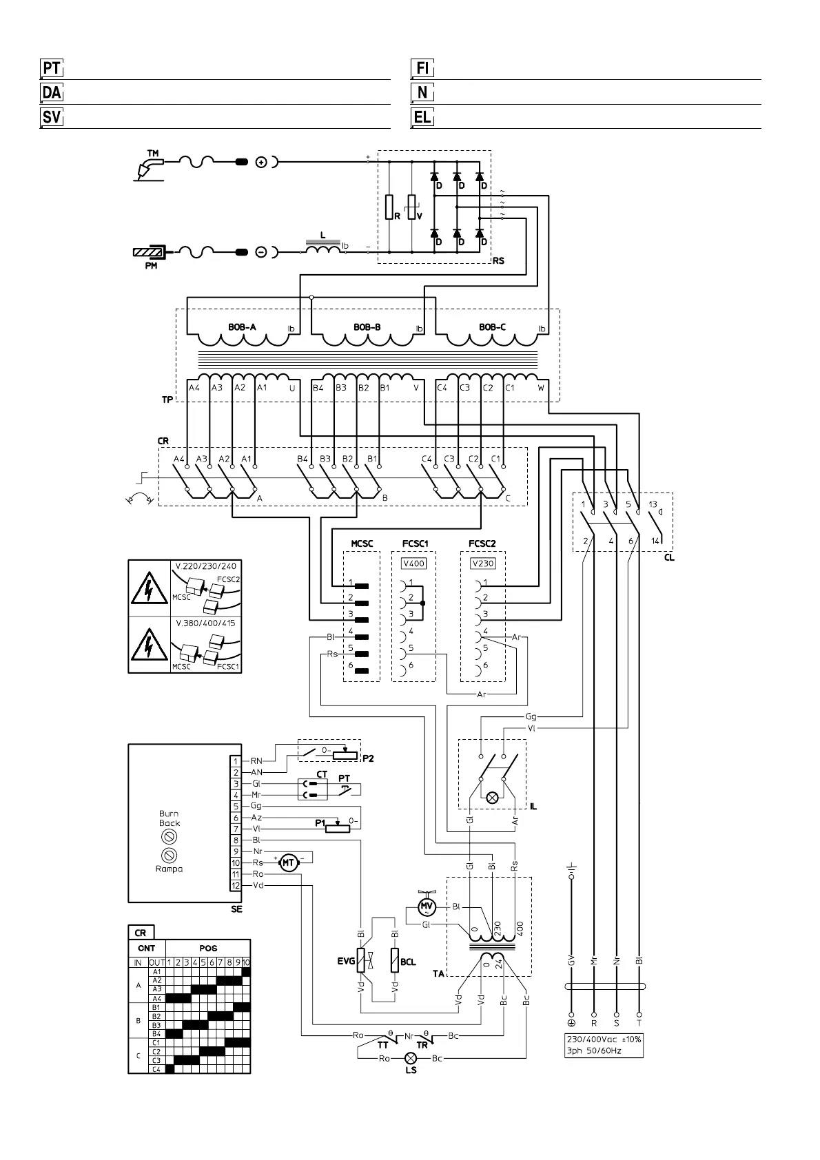
Esquema eléctrico
Forbindelsesdiagram
Elektiska schema
Sähkökaavio
Elektriske skjema
Ηλεκτρικών ιαγραµµάτων
2101A725

Table of Contents

Related product manuals