EasyManua.ls Logo

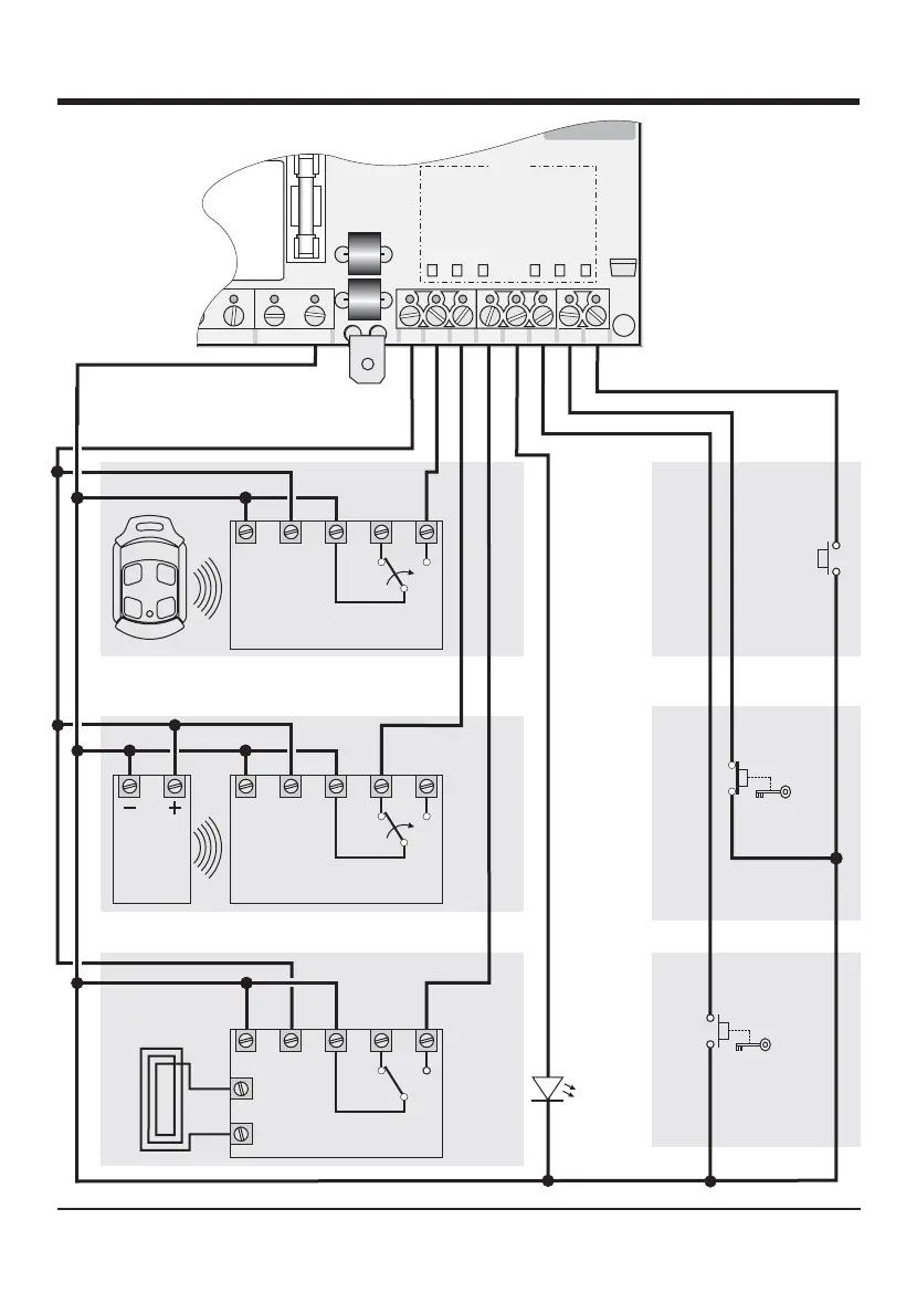
Centurion D5 - CP80 Signal Connections

Centurion D5
48 pages
Print Icon
To Next Page IconTo Next Page
To Next Page IconTo Next Page
To Previous Page IconTo Previous Page
To Previous Page IconTo Previous Page
Loading...
NEG NEG NEG
+12V
+12V/24V
+12V/24V
PUSHBUTTON
FOR SWITCHING
PILLAR LIGHT (N/0)
HOLIDAY
LOCKOUT
SWITCH
(N/C)
STATUS LED
PEDESTRIAN
KEYSWITCH (N/O)
(RETURN SPRING)
COM COM COM
NC NC NC
NO NO
12V or 24V
NO
LOOP
LOOP DETECTOR
IRB RECEIVERIRB Tx
RADIO RECEIVER
REMOTE CONTROL CIRCUITRY
PILLAR LIGHT PUSHBUTTONHOLIDAY LOCKOUT KEYSWITCHPEDESTRIAN KEYSWITCH
INFRA RED BEAM CIRCUITRY
FREE EXIT CIRCUITRY
Page 41
CP80 Signal ConnectionsCP80 Signal Connections
Y + LIGHT COM
SET
COM
SERIAL #
DOSS
SET
STATUS
3A
FAST
BLOW
LIGHT FUSE
AUXILIARY FUSE 3A F/B
LIGHT RELAY
TRIGGER
INFRA RED BEAM
FREE EXIT
PEDESTRIAN
LOCK
SET
PROGRAMMING SET LINK
(LED’s)
(LED)
12V
TRG
IRB FRX
LED
PED
LCK
FOR OPERATORS FITTED WITH A CE CHIP, THIS
IS REPLACED BY OPENING BEAM IF REQUIRED
For a detailed description of
terminal functions, refer to
Controller Terminal
Features on Page 31.