EasyManua.ls Logo

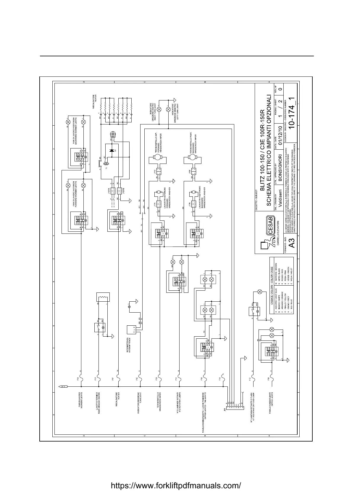
CESAB B 200 - WIRING DIAGRAM OPTIONAL SYSTEMS

CESAB B 200
460 pages
Print Icon
To Next Page IconTo Next Page
To Next Page IconTo Next Page
To Previous Page IconTo Previous Page
To Previous Page IconTo Previous Page
Loading...
15-2
WIRING DIAGRAM OPTIONAL SYSTEMS
https://www.forkliftpdfmanuals.com/

Table of Contents