EasyManua.ls Logo

Cessna T188C - Page 103

Cessna T188C
624 pages
Print Icon
To Next Page IconTo Next Page
To Next Page IconTo Next Page
To Previous Page IconTo Previous Page
To Previous Page IconTo Previous Page
Loading...
MODEL
188
&
T188
SERIES
SERVICE
MANUAL
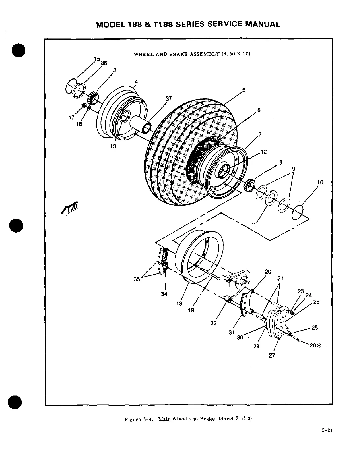
WHEEL
AND
BRAKE
ASSEMBLY
(8.50
X
10)

Table of Contents