EasyManua.ls Logo

Cessna T188C - Page 286

Cessna T188C
624 pages
Print Icon
To Next Page IconTo Next Page
To Next Page IconTo Next Page
To Previous Page IconTo Previous Page
To Previous Page IconTo Previous Page
Loading...
MODEL
188
&
T188
SERIES
SERVICE
MANUAL
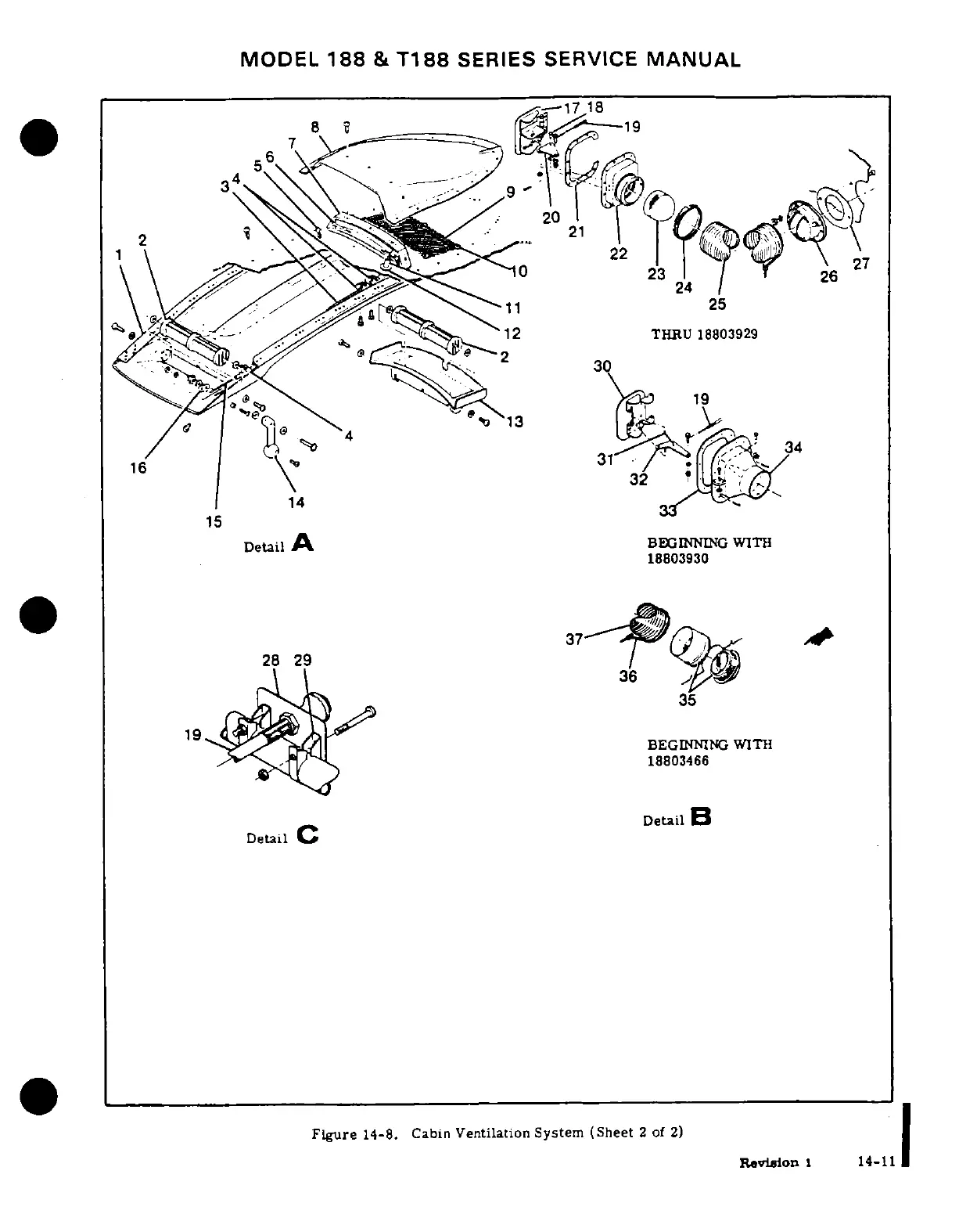
Figure
14-8.
Cabin
Ventilation
System
(Sheet
2
of
2)
Revision
1
14-11

Table of Contents

Related product manuals