EasyManua.ls Logo

CG VSR48009 - Group B0 Frequency Command

Default Icon
180 pages
Print Icon
To Next Page IconTo Next Page
To Next Page IconTo Next Page
To Previous Page IconTo Previous Page
To Previous Page IconTo Previous Page
Loading...
Emotron VS Series Quick Start Guide
- 86 -
defined
A0.21
Inverter rated voltage
Range:60660V
Default: Model
defined
A0.22
Inverter rated current
Range:0.11500.0A
Default: Model
defined
A0.23
Software version
Range:0.00999.99
Default: Model
defined
The parameters are only for reference and cannot be edited.
A0.24
Dealer password
Range: 065535
Default: 0
A0.25
Operation time
Range: 065535h(0:
Invalid)
Default: 0
When total running time ≥A0.25, inverter will not work. When setting A0.24, need to unlock A0.24
dealer passport, after time setting, need to input dealer passport to lock.
: Setting this parameter may cause that the inverter can’t work normally, please set carefully.
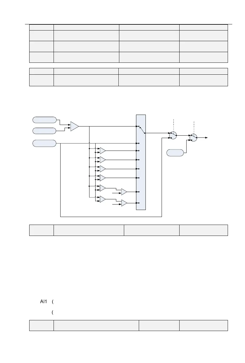
Group b0 Frequency command
Master frequency
source
Auxiliary
frequency source
Terminal UP/DOWN
+
+
-
Max
Min
+
x
+
AI1
x
AI2
0
1
2
3
4
5
6
7
Switched by
terminal
Switched by
terminal
Jog
frequency
Command frequency
Fig 6-1
b0.00
Frequency source
selection
Range:07
Default: 0
0: Master frequency source
The frequency source is determined by master frequency source b0.01.
1: Auxiliary frequency source
The frequency source is determined by auxiliary frequency source b0.03.
2: Master + Auxiliary
The frequency source is determined by Master + Auxiliary.
3: Master - Auxiliary
The frequency source is determined by Master - Auxiliary.
4: MAX {Master, Auxiliary}
The frequency source is determined by MAX {Master, Auxiliary}.
5: MIN {Master, Auxiliary}
The frequency source is determined by MIN {Master, Auxiliary}.
6: Master + Auxiliary)
The frequency source is determined by AI1*(Master + Auxiliary).
7: AI2 Master + Auxiliary)
The frequency source is determined by AI2*(Master + Auxiliary).
b0.01
Master frequency source selection
Range:09
VSX: Default:0
Others: Default:1

Table of Contents

Related product manuals