EasyManua.ls Logo

Chamberlain 3240 - Motor Unit Assembly Parts Breakdown; Identify Motor Unit Components

Chamberlain 3240
36 pages
Print Icon
To Next Page IconTo Next Page
To Next Page IconTo Next Page
To Previous Page IconTo Previous Page
To Previous Page IconTo Previous Page
Loading...
34
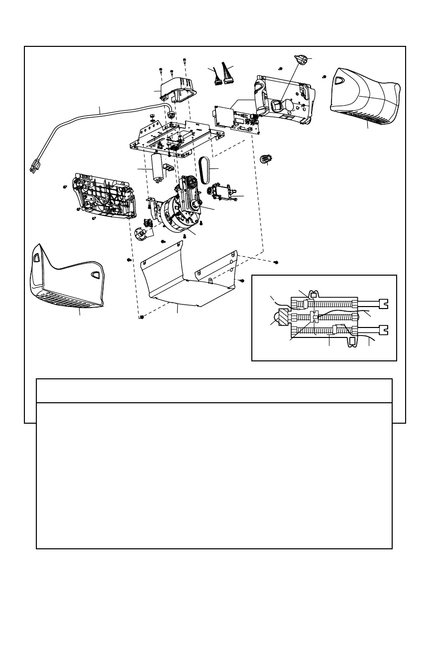
Motor Unit Assembly Parts
1
2
3
4
5
6a
6
7
12
11
13
14
14
9
10
9a
8
DN
UP
(Up) Contact
(Down) Contact
Center Limit
Contact
Yellow Wire
Brown
Wire
Drive
Gear
LIMIT SWITCH
ASSEMBLY
Grey Wire
KEY PART
NO. NO. DESCRIPTION
1 31C568 Drive shaft cover
2 41B4245 Line cord
3 30B620 Capacitor – 1/2 HP
30B638 Capacitor – 1/3 HP
4 41A3150 Terminal block w/screws
5 41D4671 Limit switch assembly
6 41A6241 Motor drive assembly
6a 20B21-1 Drive belt
7 41C4672 Screw drive RPM kit
KEY PART
NO. NO. DESCRIPTION
8 41A4837-1 Worm gear and retainer
9 41A6635 Low voltage wire harness
9a 41A6634 High voltage wire harness
10 41AS050R1M Receiver logic board
assembly (3130)
41AS050R2M Receiver logic board
assembly (3240)
11 41A5525-57 Cover (Model 3130)
41A5525-53 (Model 3240)
12 41C22-1 Drive coupling hub
13 175C147 Light socket
14 108D79 Light lens

Related product manuals