EasyManua.ls Logo

Chamberlain CAPXS - Accès de Portail (Câblé)

Chamberlain CAPXS
64 pages
Print Icon
To Next Page IconTo Next Page
To Next Page IconTo Next Page
To Previous Page IconTo Previous Page
To Previous Page IconTo Previous Page
Loading...
37
CONFIGURATION
DU COMPTE
RÉSEAU/MONTAGE
ALIMENTATION
CONTRÔLE DE L’ACCÈS
INTRODUCTION
INTRODUCTION
RÉSEAU/MONTAGE
ALIMENTATION
CONTRÔLE DE L’ACCÈS
INTRODUCTION
RÉSEAU/MONTAGE
ALIMENTATION
CONTRÔLE DE L’ACCÈS
INTRODUCTION
RÉSEAU/MONTAGE
ALIMENTATION
CONTRÔLE DE L’ACCÈS
INTRODUCTION
RÉSEAU/MONTAGE
ALIMENTATION
CONTRÔLE DE L’ACCÈS
CONFIGURATION
DU COMPTE
CONFIGURATION
DU COMPTE
CONFIGURATION
DU COMPTE
CONFIGURATION
DU COMPTE
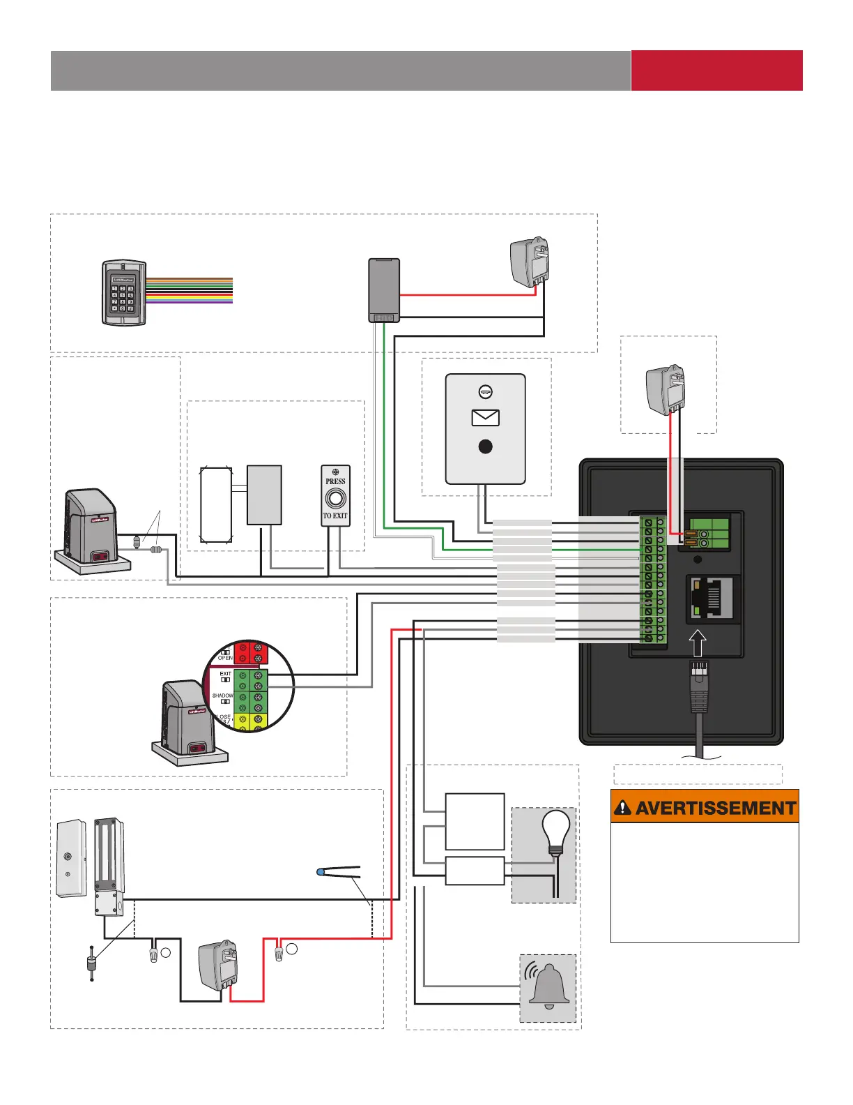
Accès de portail (câblé)
Débranchez le courant AVANT d’effectuer les connexions électriques. Vous trouverez ci-dessous un exemple d’installation de câblage
pour l’accès à un portail.
TERRE
ALIMENTATION
TERRE
DATA 0
DATA 1
ALIMENTATION
CONNEXION ETHERNET
SERRURE POSTALE
SERRURE POSTALE**
REMARQUE : Pour le clavier KPR2000,
câblez ensemble les fils rose et noir
(masse).
LECTEUR
CLAVIER
WIEGAND
+
NORMALEMENT OUVERT
NORMALEMENT OUVERT
COMMUN
COMMUN
DEMANDE DE SORTIE
TERRE
NORMALEMENT OUVERT
COMMUN
NORMALEMENT FERMÉ
BOUTON-
POUSSOIR
SERRURE
MAGNÉTIQUE
ALIMENTATION ÉLECTRIQUE 12 VCC
OU
DÉTECTEUR EXTERNE
DE BOUCLE DE
SORTIE LIBRE
Pour alimentation CC :
Installez une diode
1N4005 ou équivalent
Utilisez 18-22 AWG
Alimentation pour serrure
magnétique (non fournie).
N’utilisez PAS l'alimentation
du contrôleur
Pour alimentation CA :
Installez une varistance à oxyde
métallique (S10K30MOV) de
Siemens ou équivalent
NORMALEMENT FERMÉ
COMMUN
OU
DEMANDE DE SORTIE
RELAIS PRIMAIRE
*RELAIS AUXILIAIRE
OPÉRATEUR DE PORTAIL
COMMUN
SORTIE
CONTOURNEMENT
DE L'ALARME
ÉCLAIRAGE
NORMALEMENT OUVERT
COMMUN
CHARGE
LIGNE
RELAIS AUXILIAIRE
OU
NEUTRE
** REMARQUE : Pour plus d'information sur le
câblage d'une serrure postale, reportez-vous au
manuel de l'accessoire : CAPXSTKPL.
* REMARQUE : SERRURE MAGNÉTIQUE, gâche
de porte et CONTOURNEMENT DE L’ALARME
non évalués par UL.
REMARQUE : Ne
connectez PAS
une alimentation
haute tension à
l'unité CAPXS.
Relais
d'isolation
Alimentation
basse
tension
OPÉRATEUR DE PORTAIL
(connecter à l'interrupteur de fin
de course auxiliaire fermé - voir le
manuel de l'opérateur de portail)
SUPERVISÉ
(STATUT DE LA PORTE)
(Non applicable pour les
connexions d'opérateurs de
portail sans fil)
Résistance EOL
(fin de ligne)
(1 k ohm)
SUP
N’INSTALLEZ PAS LE SYSTÈME
EN MODE DE SÉCURITÉ
INTÉGRÉE, SAUF
AUTORISATION DES AUTORITÉS
LOCALES COMPÉTENTES. Cela
peut provoquer des interférences
avec le fonctionnement du
matériel de panique.

Table of Contents

Related product manuals