EasyManua.ls Logo

Chandler Systems D15 - Page 34

Chandler Systems D15
48 pages
Print Icon
To Next Page IconTo Next Page
To Next Page IconTo Next Page
To Previous Page IconTo Previous Page
To Previous Page IconTo Previous Page
Loading...
A
34
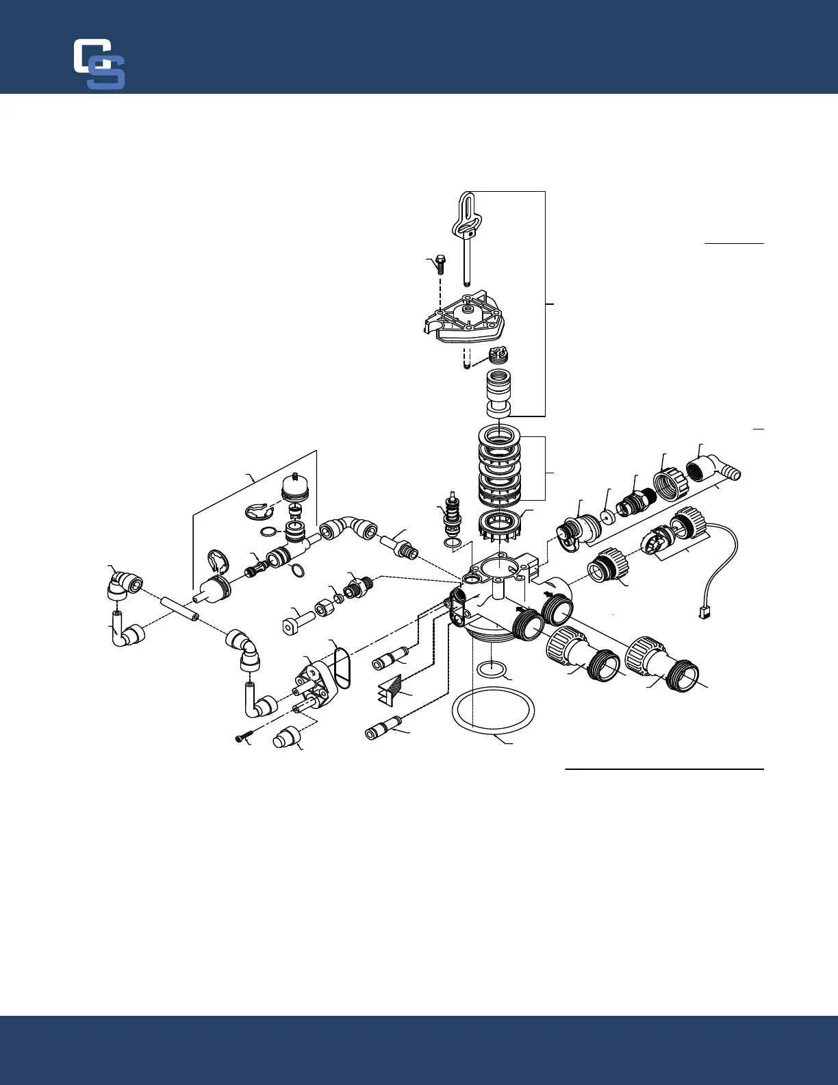
AERATION VALVE
2
1
3
18
19
28
12
17
16
4
8
9
10
11
14
15
13
24
20A
20B
26
27
21
25
22
16
23
5
7
6
6
6
6A
Chandler Systems
34