EasyManua.ls Logo

Chiltrix CX34 - Buffer Tanks

Chiltrix CX34
61 pages
Print Icon
To Next Page IconTo Next Page
To Next Page IconTo Next Page
To Previous Page IconTo Previous Page
To Previous Page IconTo Previous Page
Loading...
Chiltrix Inc. www.chiltrix.com
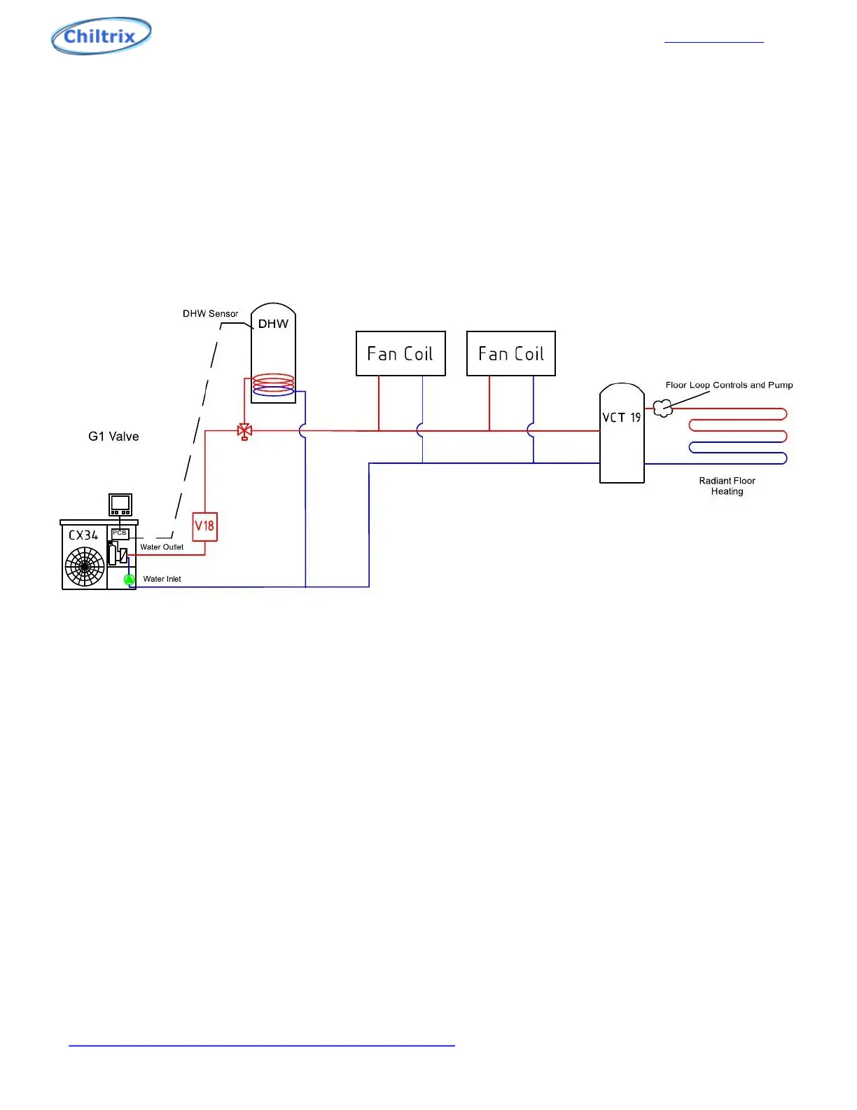
Using a Buffer Tank w/ Radiant
Example below shows optional DHW, optional V18 backup heater, fan coils, and radiant. The radiant is attached
to the load side of a buffer tank.
For V18 information please see the V18 Manual available on the Chiltrix website documents page.
For DHW or buffer tank installation information see the Chiltrix Tank Manual.
Primary / secondary piping is not supported, when connecting to a floor heating loop always use a buffer
tank. Buffer tanks are generally needed only with floor heating with the Chiltrix system, or to combine
multiple CX34 units.
IMPORTANT NOTE ABOUT BACKUP HEAT
Do not ever use buffer tanks for backup heat. The element capabilities of the buffer tank are provided for
emergency heat only. Contact Chiltrix with any questions about emergency or backup heat options. See
Chiltrix DHW & Tank Manual.
The radiant loop pump in the buffer tank drawing is controlled by the customer’s floor loop controls, pump,
etc. The buffer tank isolates the pumps from each other providing hydraulic separation and thermal
buffering.
A 15-20 gallon buffer tank is used generally for best performance with a single CX34. 30-45 gallons is used
for systems of two or three CX34s, and used when multiple CX34s are to be combined. A G3 seasonal valve
may be used to isolate the tank in cooling mode, if applicable, note that isolating the buffer tank in this
manner may cause the need for an additional volume tank to be added.
See more designs here:
https://www.chiltrix.com/documents/chiller-options.pdf
7
IMPORTANT
Check all tank ports including under any element covers
to make sure any unused ports are plugged. Pre-plugged
ports may be only finger-tight. Check ALL ports and plugs
for water tight fit.

Other manuals for Chiltrix CX34

Related product manuals