EasyManua.ls Logo

Chiltrix CX34 - System Filling;Purging

Chiltrix CX34
61 pages
Print Icon
To Next Page IconTo Next Page
To Next Page IconTo Next Page
To Previous Page IconTo Previous Page
To Previous Page IconTo Previous Page
Loading...
Chiltrix Inc. www.chiltrix.com
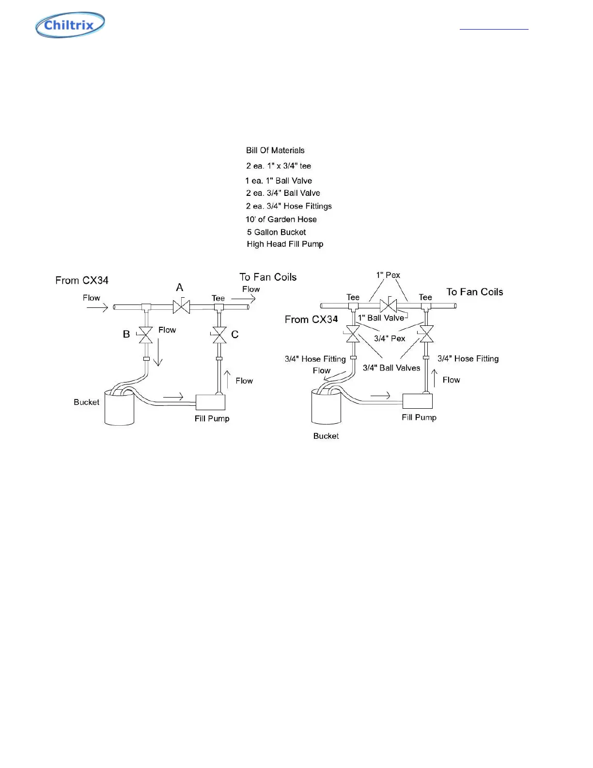
System filling with Propylene Glycol and water
At or near the CX34 a flush/fill valve assembly must be installed. This can be made with three ball valves
and a couple hose fittings. See example below.
Pre-mix the propylene glycol in a container large enough to hold the loop volume plus a few gallons.
Using a filling pump and 3 hoses, place one hose in the glycol container and connect it to the suction
side of the pump. Connect the second hose to the pump discharge and the other end to valve “C
that is closest to the fan coils. Using a third hose, connect it to valve ”B”, closest to the chiller and
leave the open end in the glycol bucket. Close the middle ball valve “A. Close the middle ball valve
A”. The pump should be pumping away from the CX34 chiller. Open and close valve “A” a few times
to remove trapped air. The pump should be pumping away from the CX34 chiller.
Run the pump until there are no more air bubbles coming out of the loop. After all air is expelled
from the loop, close valve “B” and then open valve “A” with the pump running. When the pressure
gage on the CX34 shows at least 30 psi close valve “Cand turn off the pump. Minimum loop
pressure is 14.5 psi, maximum pressure is 43.5 psi, and ideal pressure is 20-30 psi.
28

Other manuals for Chiltrix CX34

Related product manuals