EasyManua.ls Logo

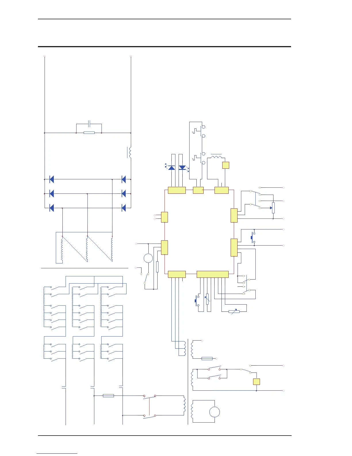
CIGWELD 250 WELDSKILL - Appendix 4: WeldSkill 350 MIG Power Source Circuit Diagram

CIGWELD 250 WELDSKILL
66 pages
Print Icon
To Next Page IconTo Next Page
To Next Page IconTo Next Page
To Previous Page IconTo Previous Page
To Previous Page IconTo Previous Page
Loading...
weldskill 250, 350 appendix
Appendix A-6 Manual 0-5182
20V 20V
DCL
V1
V4
V2 V3
V5 V6
R1
100/40W
C1
100n/1KV
KM-1
KM-2
KM-3
S1
TC
415V
FU1
3A
-
+
27V
FS
FU2
8A
18
17
KM-4
1
2
CN5
1
2
3
CN1
1
2
3
4
CN3
Power indicator
Spot
36V
KM
Spot timer
100K
0V
19
23
28
29
31
31
32
26
LED1
VR2
Th ermostat1
I.P.S
TC
Gas valve
S3
33
1
2
3
4
CN4
1
2
CN2
1
2
3
4
5
6
7
8
CN6
1
2
3
CN8
1
2
3
CN9
Over heat
LED2
Gun
T.S
1
2
3
4
CN7
17 18
Motor power
2
8
9
10
11
6
7
20A
21A
2172
15
25
24
345
22D
13
14
22C
22A
22B21B
21C
20B
20C
20D
16
1
0
Burn back
100K
VR3
Spot switch/4T
4T
12
5364
Spot switch
30
415V
415V
415V
Thermo stat2
27
21D
220V
30
W
V
U
C1 C2 C3 C4
C
C5
C6 C7
S1 S2
C8
C9
B1 B2 B3 B4
B
B5
B6 B7 B8 B9
A1 A2 A3 A4
A
A5
A6 A7 A8 A9
TR1
SWITCH
S4
8
79
YV
20D43
M
_
R2
0.5Ω/30W
S4-4
11
12
10
22B
40
Welding current potentiometer
5K
VR1
21C22C
S4
3 44 45
5
46
2
13
36V
42
46
47
41
21B
20D25
CONTROL PCB
Art # A-09927_AB
APPENDIX 4:
WELDSKILL 350 MIG POWER SOURCE CIRCUIT DIAGRAM

Table of Contents

Related product manuals