EasyManua.ls Logo

CITROEN CX 2000 - Page 87

CITROEN CX 2000
394 pages
Print Icon
To Next Page IconTo Next Page
To Next Page IconTo Next Page
To Previous Page IconTo Previous Page
To Previous Page IconTo Previous Page
Loading...
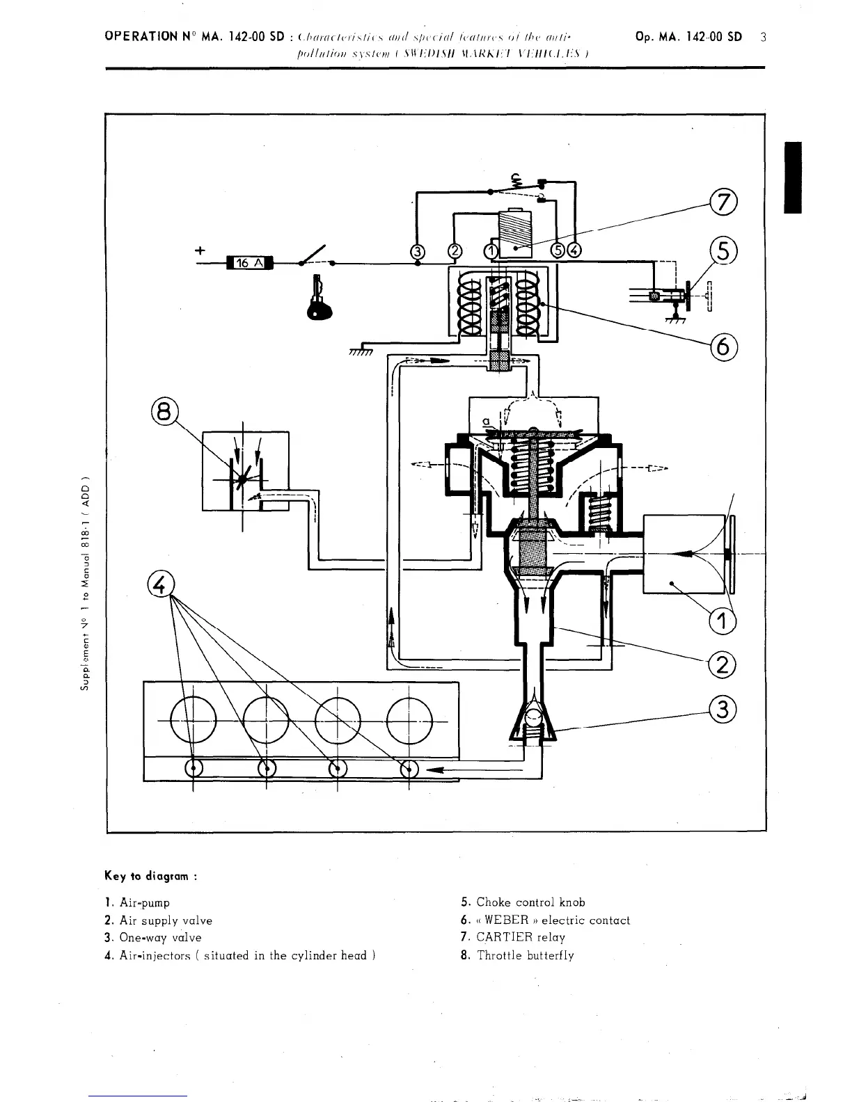
Key to diagram :
1.
Air-pump
5. Choke control knob
2. Air supply valve
6. (( WEBER )) electric contact
3. One-way valve
7. CARTIER relay
4. Air-injectors ( situated in the cylinder head )
8. Throttle butterfly

Related product manuals