EasyManua.ls Logo

Claas DISCO 3000TRC - Page 113

Claas DISCO 3000TRC
130 pages
Print Icon
To Next Page IconTo Next Page
To Next Page IconTo Next Page
To Previous Page IconTo Previous Page
To Previous Page IconTo Previous Page
Loading...
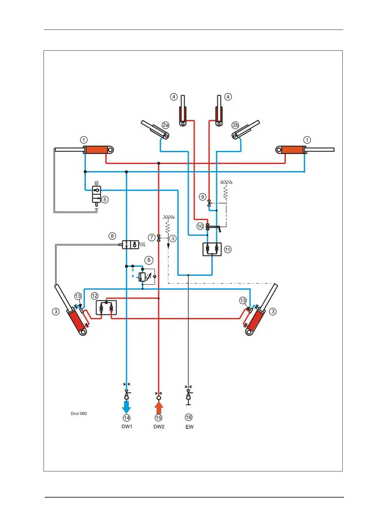
TIC VOLTO Hydraulic System
10/04 5-15
VOLTO 1050 T

Table of Contents