EasyManua.ls Logo

Claas DISCO 3000TRC - 3.0 LINER 650 Twin, LINER 880; 3.1 LINER 650 Twin

Claas DISCO 3000TRC
130 pages
Print Icon
To Next Page IconTo Next Page
To Next Page IconTo Next Page
To Previous Page IconTo Previous Page
To Previous Page IconTo Previous Page
Loading...
Hydraulic / Electric System LINER TIC
4-34 10/04
3.0 LINER 650 Twin, LINER 880
3.1 LINER 650 Twin
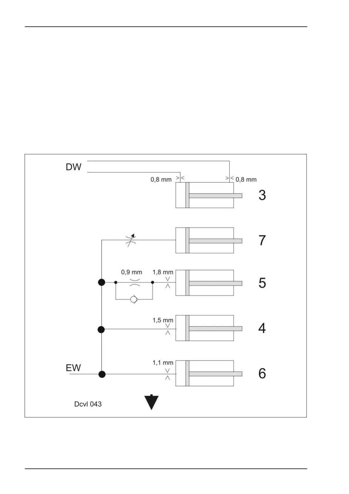
3.1.1 Hydraulic System
1 Connection with a double-acting control unit on the tractor
2 Connection with a single-acting control unit on the tractor
3 Hydraulic cylinder: Fold rear rotor (left or right)
4 Hydraulic cylinder: Raise front rotors
5 Hydraulic cylinder: Raise rear rotors
6 Hydraulic cylinder: Raise drawbar
7 Hydraulic cylinder (compensating cylinder): Frame and rear rotor
EW Single-acting control unit
DW Double-acting control unit

Table of Contents