Home
Claas
Farm Equipment
DISCO 3000TRC
Page 127
Claas DISCO 3000TRC - Page 127
130 pages
Manual
Save Page as PDF
To Next Page
To Next Page
To Previous Page
To Previous Page
Loading...
TIC
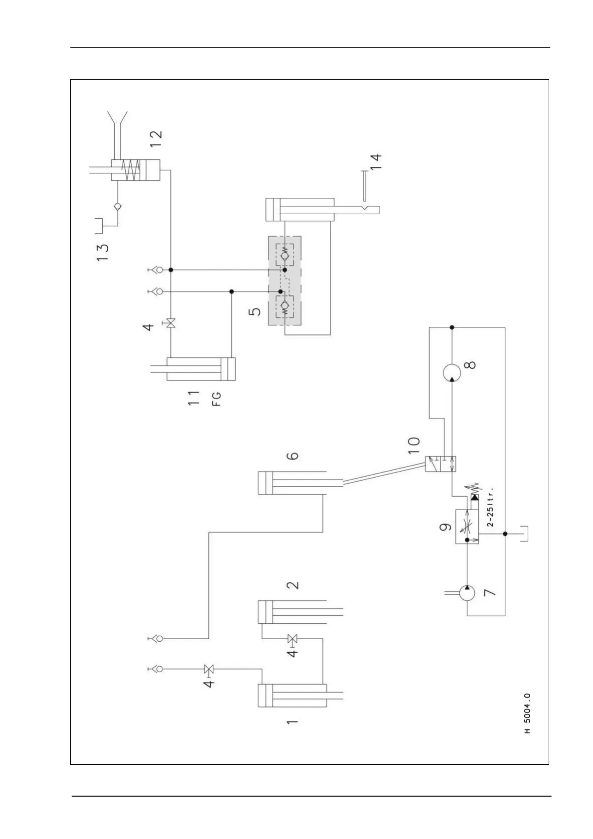
DISCO 3000, CORTO 3100, 300,
252, 250
Hydraulic System
10/04
6-3
Tractor-pulled mower units: DISCO 3000 TC, TRC, AS, FG / CORTO 3100, 300, 252, 250
126
128
Table of Contents
Main Page
Tic Jaguar 8550C Hydraulic / Electric System
5
Table of Contents
5
Hydraulic System
6
JAGUAR 8500C-6, C-8 Hydraulic Circuit Diagram
6
Function
12
Electric System JAGUAR 8500C, CISCO 8500C-6, -8
18
Electric Circuit Diagram
18
Function
20
Central Terminal Compartment
24
Installation Information
28
Timing of Drives
28
Installation of Pinion Units
29
Safety Module
30
Tightening Torques
31
Drive Diagram
32
Tic Disco 8550C (Tractor) Hydraulic / Electric System
33
Hydraulic Circuit Diagram
34
Hydraulic System
34
Electric Circuit Diagram
36
Electric System
36
Installation Information
38
Timing of Drives
38
Installation of Pinion Units
39
Safety Module
40
Tightening Torques
41
Drive Diagram
42
Tic Corto 8100 F/T Hydraulic / Electric System
45
Corto 8100F
46
CORTO 8100F Hydraulic System
46
Key to Diagram
46
Function CORTO 8100 F
48
CORTO 8100 F Electric System
50
Putting into Operation
50
Raising the Left CORTO
50
Shutting down the Left-Hand Drive
50
Shutting down the Right-Hand Drive
50
Switching on the Left-Hand Drive
50
Switching on the Right-Hand Drive
50
Accumulator Is Blocked When Raising the Entire Mower Unit
52
Folding CORTO to Transport Position
52
Folding CORTO to Working Position
52
Lowering the Left CORTO
52
Lowering the Right CORTO
52
Raising the Right CORTO
52
Corto 8100 T
54
Hydraulic System CORTO 8100 T
54
Key to Diagram
54
Function
56
Electric System CORTO 8100 T
58
Function
58
Key to Diagram
58
Tic Liner Hydraulic / Electric System
61
Function - Valve Assignment
62
Hydraulic Circuit Diagram
62
Hydraulic System
62
Liner 3000
62
Valve Block 21
64
Valve Block 22
66
Location of Components
68
Electric Circuit Diagram
70
Electric System LINER 3000
70
Cct Liner 3000
72
Manual Control
74
Emergency Program
76
Setting the Rotor Raise Height
78
Raising the Front Rotors Separately
80
Working with the Rear Rotors Only
80
Setting the Sequential Control on the Turning Area
82
Execution
84
Learning the Limit Stops (Setting of Basic Values)
84
Checking in Case of Malfunctions
86
Front Angle Transmitter
87
Installing the Angle Transmitters
87
Rear Angle Transmitter
87
Adjustment of Angle Transmitters
88
Checking the Signal Voltages
88
Diagnosis of Angle Transmitter
89
Compressed-Air Brake System
90
Hydraulic System
92
LINER 1550 Twin Profile
92
Hydraulic System
94
LINER 650 Twin
94
LINER 650 Twin, LINER 880
94
Hydraulic System
95
LINER 880 Twin
95
Flow Divider for Slopes
96
Liner 1500/1550
98
Tic Volto Hydraulic System
99
VOLTO 1050 H Hydraulic System Circuit Diagram
100
Moving from Transport to Working Position
102
VOLTO 1050 Operating Instructions
102
Moving from Working to Transport Position
104
VOLTO 870 H Hydraulic System Circuit Diagram
107
VOLTO 1050 T Hydraulic System
108
VOLTO 770 T Hydraulic System
114
Flow Divider
116
VOLTO 670 Hydraulic System
116
Flow Divider
120
VOLTO 770, 770 H Hydraulic System
120
VOLTO 870 T Hydraulic System
123
Related product manuals
Claas DISCO 3000TC
130 pages
Claas DOMINATOR 150
390 pages
Claas DOMINATOR 130
390 pages
Claas DOMINATOR 68 S
31 pages
Claas DOMINATOR 204 MEGA III
31 pages
Claas DOMINATOR 208 MEGA III
31 pages
Claas 930
12 pages
Claas LEXION
31 pages
Claas JAGUAR 980
38 pages
Claas LEXION 780
60 pages
Claas LEXION 480
1018 pages
Claas LEXION 670
56 pages