EasyManua.ls Logo

Claas DISCO 3000TRC - Page 15

Claas DISCO 3000TRC
130 pages
Print Icon
To Next Page IconTo Next Page
To Next Page IconTo Next Page
To Previous Page IconTo Previous Page
To Previous Page IconTo Previous Page
Loading...
TIC JAGUAR 8550C Hydraulic / Electric System
10/04 1-11
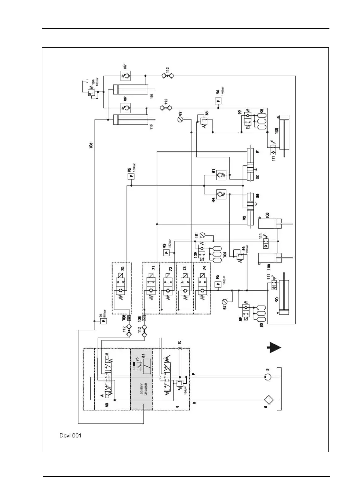
JAGUAR 8500 C-6 / C8 hydraulic circuit diagram

Table of Contents

Related product manuals