EasyManua.ls Logo

Claas DISCO 3000TRC - Page 19

Claas DISCO 3000TRC
130 pages
Print Icon
To Next Page IconTo Next Page
To Next Page IconTo Next Page
To Previous Page IconTo Previous Page
To Previous Page IconTo Previous Page
Loading...
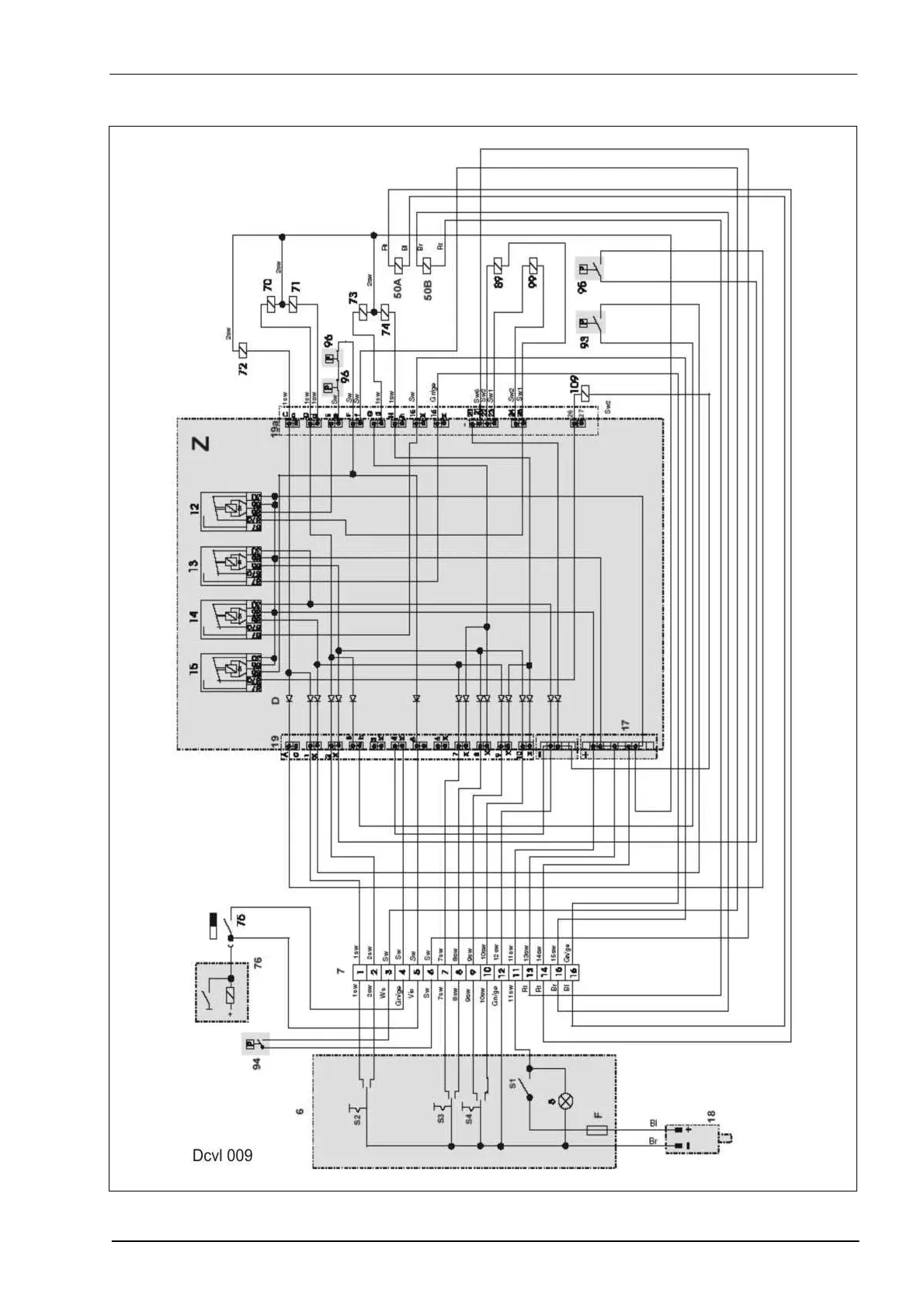
TIC JAGUAR 8550C Hydraulic / Electric System
10/04 1-15
Electric system Jaguar 8500C, Disco 8500C-6, C-8

Table of Contents

Related product manuals