EasyManua.ls Logo

Claas DISCO 3000TRC - Page 37

Claas DISCO 3000TRC
130 pages
Print Icon
To Next Page IconTo Next Page
To Next Page IconTo Next Page
To Previous Page IconTo Previous Page
To Previous Page IconTo Previous Page
Loading...
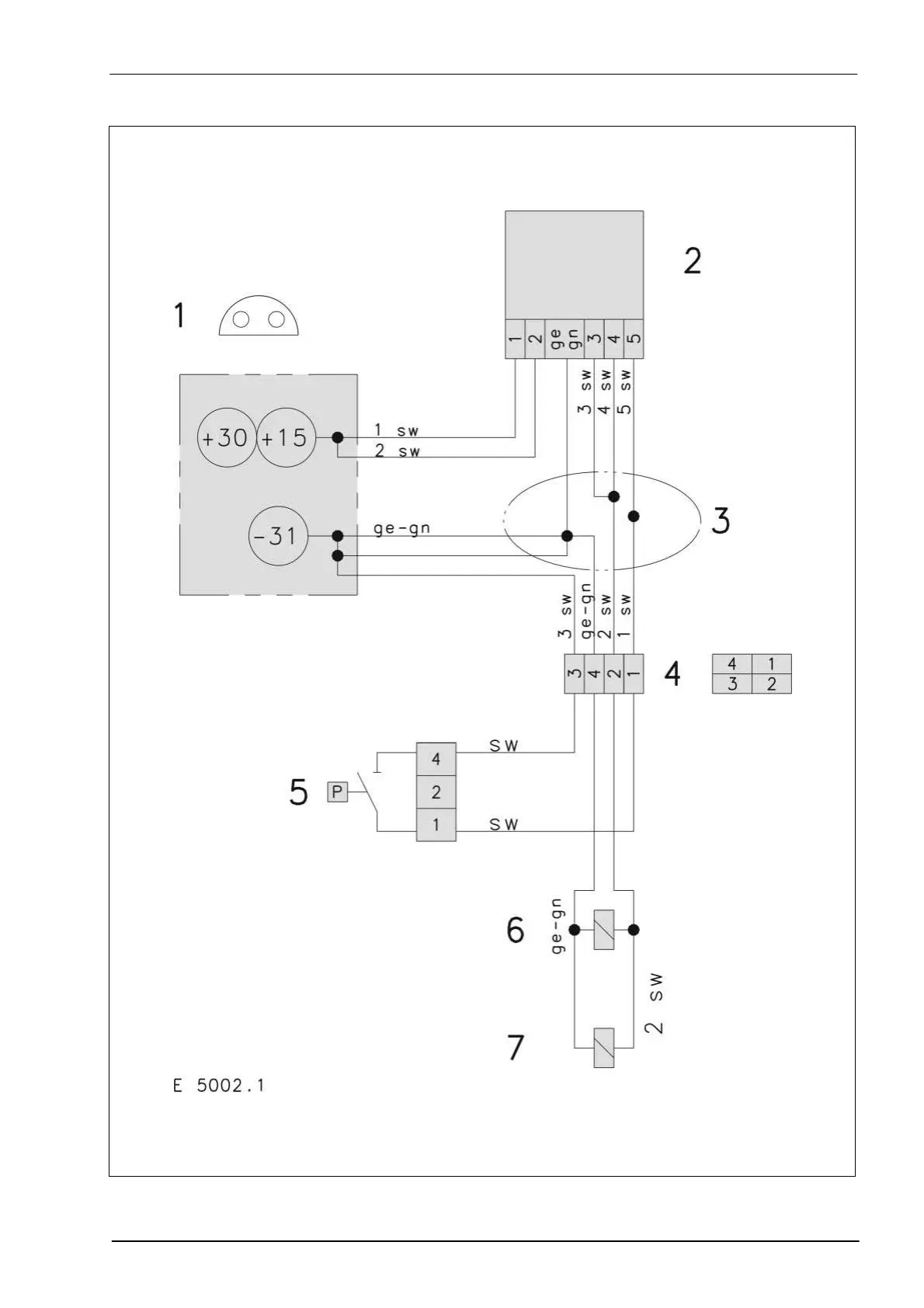
TIC DISCO 8550C (Tractor) Hydraulic / Electric System
10/04 2-5
DISCO 8500 C (tractor) electric circuit diagram

Table of Contents

Related product manuals