EasyManua.ls Logo

Claas DISCO 3000TRC - Page 55

Claas DISCO 3000TRC
130 pages
Print Icon
To Next Page IconTo Next Page
To Next Page IconTo Next Page
To Previous Page IconTo Previous Page
To Previous Page IconTo Previous Page
Loading...
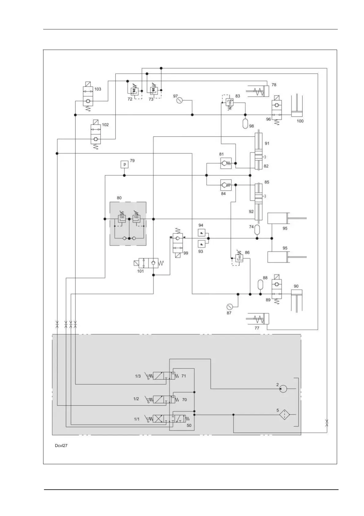
TIC CORTO 8100 F/T Hydraulic / Electric System
10/04 3-11
CORTO 8100 T

Table of Contents

Related product manuals