EasyManua.ls Logo

Claas DISCO 3000TRC - Page 63

Claas DISCO 3000TRC
130 pages
Print Icon
To Next Page IconTo Next Page
To Next Page IconTo Next Page
To Previous Page IconTo Previous Page
To Previous Page IconTo Previous Page
Loading...
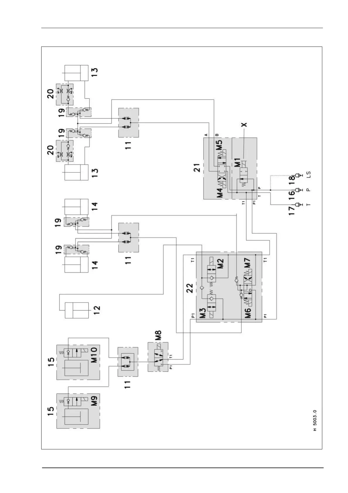
TIC LINER Hydraulic / Electric System
10/04 4-3
LINER 3000

Table of Contents

Related product manuals