EasyManua.ls Logo

Clarion NZ501E - Remote Control Button Functions

Clarion NZ501E
70 pages
To Next Page IconTo Next Page
To Next Page IconTo Next Page
To Previous Page IconTo Previous Page
To Previous Page IconTo Previous Page
Loading...
3
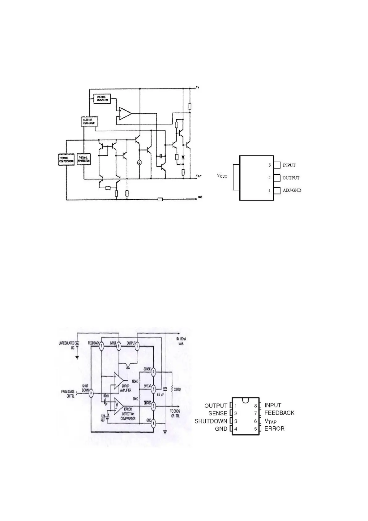
LD1117A
High performance positive Voltage RegulatorS.
LP2950
100mA low-dropout voltage regulator

Other manuals for Clarion NZ501E

Related product manuals