EasyManua.ls Logo

CLAUSING MS1318M - Page 56

CLAUSING MS1318M
134 pages
Print Icon
To Next Page IconTo Next Page
To Next Page IconTo Next Page
To Previous Page IconTo Previous Page
To Previous Page IconTo Previous Page
Loading...
5-4
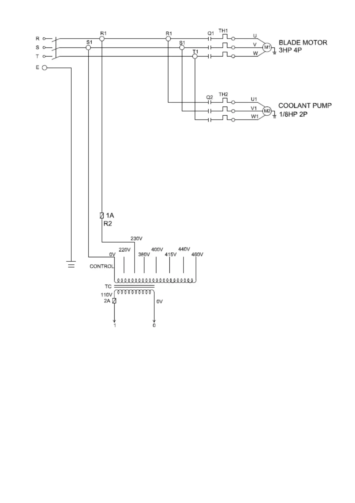
Fig 5-3 Power Supply Layout
MS1318M / MS1318SA

Table of Contents