EasyManua.ls Logo

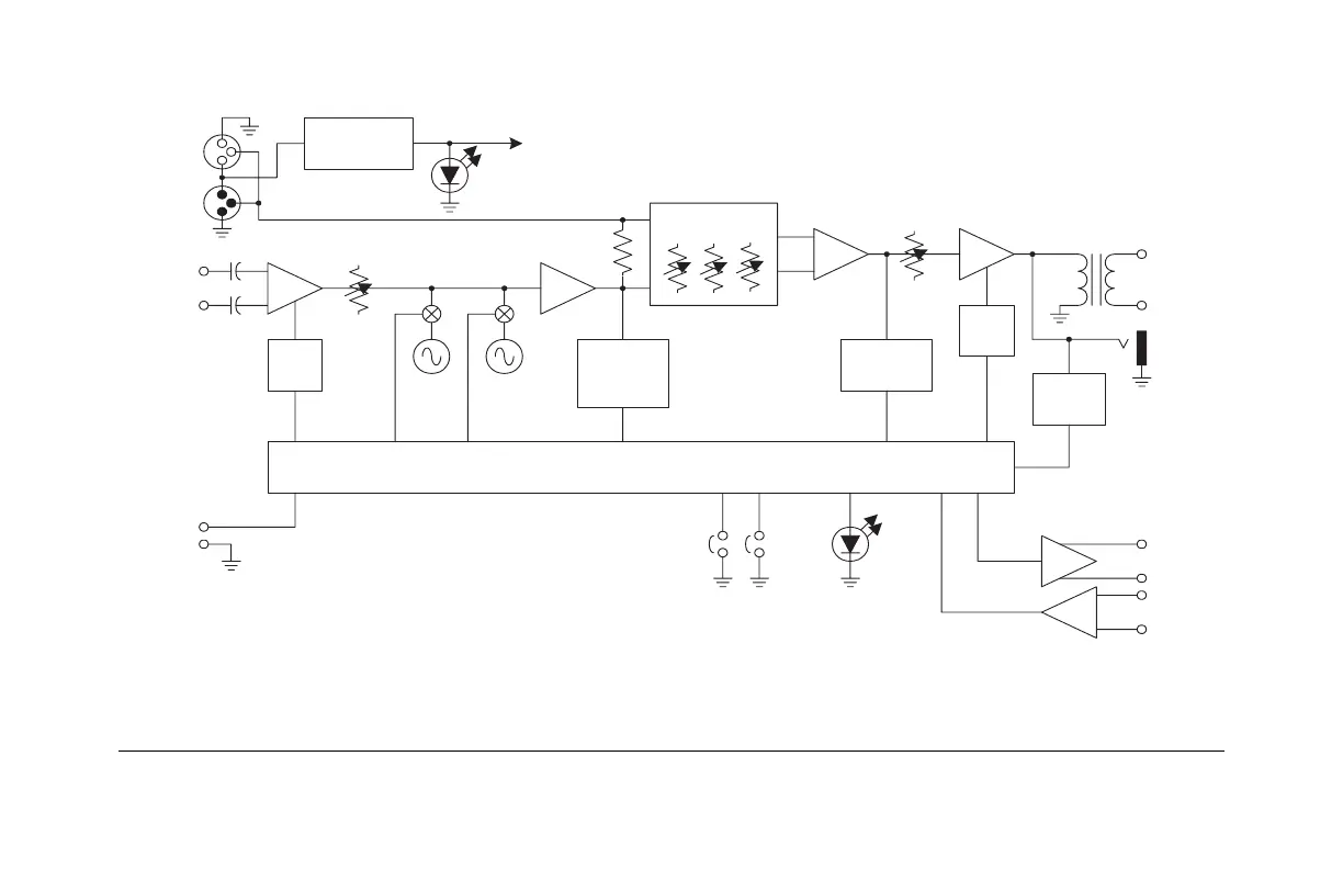
Clear-Com ENCORE EF-701M - Block Diagram

Clear-Com ENCORE EF-701M
62 pages
Print Icon
To Next Page IconTo Next Page
To Next Page IconTo Next Page
To Previous Page IconTo Previous Page
To Previous Page IconTo Previous Page
Loading...
3-8 EF-701M INTERFACE
Block Diagram
Figure 3-1: EF-701M Block Diagram
Figure 3-2: EF-701M Block Diagram
4-Wire
Input
Hybrid Null
4-Wire
Output
Gain
Adj.
Gain
Adj.
Microprocessor
C-C Call
Send &
Receive
Intercom
Line
TW Power
Splitter
Power
20 kHz
Call
200 Hz
Null
20 kHz Call
Receive
RS-422
Send
RS-422
Receive
Nulling
Earphone
Power
Data
Phone
Det.
Baud Rate
Select
Send
Receive
C-C / TW
Mode

Related product manuals