EasyManua.ls Logo

Clevo W25CSV series - Fingerprint Board

Clevo W25CSV series
103 pages
Print Icon
To Next Page IconTo Next Page
To Next Page IconTo Next Page
To Previous Page IconTo Previous Page
To Previous Page IconTo Previous Page
Loading...
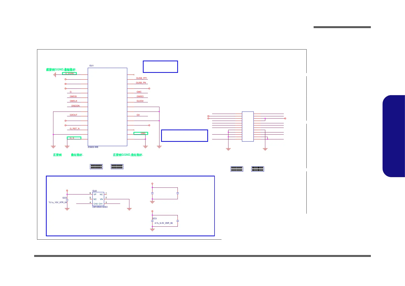
Schematic Diagrams
FINGERPRINT BOARD B - 45
B.Schematic Diagrams
FINGERPRINT BOARD
5 4 3 2 1
D
C
B
A
1
24
GJ_FP1
23
BOTTON VIEW
1
TOP VIEW
24 22
23
6-03-00603-0N0
NOTE: MODE
MODE=HIGH (NC) , USB MODE
MODE=LOW , SPI MODE
NOTE: CLK_SEL
CLK_SEL=HIGH (NC) , FREQ=12MHz Crystal
CLK_SEL=LOW , FREQ=48MHz OSC
30
15
GU1
16
IC BOTTON VIEW
30
IC TOP VIEW
15 11
16
CLOSE TO GU1 PLACE IN TOP SIDE
൷
൷ࠩ
GGND,
ყ࿍
࿍ყ
ყړ
ړړ
ړ
.
൷
൷ࠩ
GGND,
ყ࿍
࿍ყ
ყړ
ړړ
ړ
.
൷
൷ࠩ
GGND,
ყ࿍
࿍ყ
ყړ
ړړ
ړ
.
GUSB_PP1
GUSB_PN1
GMISO
GLED2
GXIN
G_EGND
GMOSI
GMCLK
GMCS
GXOUT
G_EGND
GLED1
GDISCON
G_RST_N
G_SGND
G_EGND
G3.3V
GUSB_PP1
GUSB_PN1
GLED1
GMOSI
GMCLK
GDISCON
G_RST_N
G_SGND
GMISO
GMCS
GXIN
GLED2
G_EGND
G2.5V
GUSB_PP1GUSB_PN1
GXOUT
G3.3V
GGND
G3.3VG3.3V
G2.5V
G3.3V
G2.5V
G3.3V
GGND
G3.3V
G3.3VG2.5V
GGND GGND
GGND
G3.3V
GGND
G2.5V
GGND GGND
G3.3V
GGNDGGND
GGND
Title
Size Document Number Rev
Date: Sheet
of
4.0A
[44]FINGER PRINT BOARD
A4
44 44Friday, October 25, 2013
ᙔ!Ϻ!ႝ!တ!!DMFWP!DP/
6-71-W25WF-D04A(W25CSW)
Title
Size Document Number Rev
Date: Sheet
of
4.0A
[44]FINGER PRINT BOARD
A4
44 44Friday, October 25, 2013
ᙔ!Ϻ!ႝ!တ!!DMFWP!DP/
6-71-W25WF-D04A(W25CSW)
Title
Size Document Number Rev
Date: Sheet
of
4.0A
[44]FINGER PRINT BOARD
A4
44 44Friday, October 25, 2013
ᙔ!Ϻ!ႝ!တ!!DMFWP!DP/
6-71-W25WF-D04A(W25CSW)
GC3
4.7u_6.3V_X5R_06
GU2
CM1293A-02SO
NC
1
VN
2
CH1
3
CH2
4
VP
6
NC
5
GC5
*0.1u_10V_X7R_04
GU1
ES603-WB-LGA30
PCB Footprint = ES603-LGA30
SPI_CS
26
SPI_MISO
25
AVSS
20
DN
28
UVDD
27
SPI_MOSI
6
EGND_2
17
UVSS
9
EGND
1
AVDD_1
19
RESETN
13
LED2
24
DVSS_1
23
CLK_SEL
18
SPI_CLK
7
VDDIO
4
LED1
5
DISCON
8
DVDD
3
RVDD
12
DVSS
14
AVSS_1
22
XI
21
AVDD
2
XO
10
SGND
15
DVDD_1
11
EGND_1
16
MODE
30
DP
29
GC2
0.1u_16V_Y5V_04
GJ_FP1
SPNZ-24S2-VB-017-1-R
SPNZ-24S1-X-C-Z
6-21-41710-212
12
34
56
78
910
1112
1314
1516
1718
1920
22 21
2324
GC1
4.7u_6.3V_X5R_06
GC4
0.1u_16V_Y5V_04
Sheet 44 of 44
FINGERPRINT
BOARD

Table of Contents

Related product manuals