EasyManua.ls Logo

ClimateMaster Console CCE Series - Page 20

ClimateMaster Console CCE Series
30 pages
Print Icon
To Next Page IconTo Next Page
To Next Page IconTo Next Page
To Previous Page IconTo Previous Page
To Previous Page IconTo Previous Page
Loading...
C l i m a t e M a s t e r Wa t e r-S o u r c e H e a t i n g a n d C o o l i n g S y s t e m s
C L I M A T E M A S T E R W A T E R - S O U R C E H E A T P U M P S
C o n s o l e s
R e v. : 0 8 / 1 3 / 1 0
20
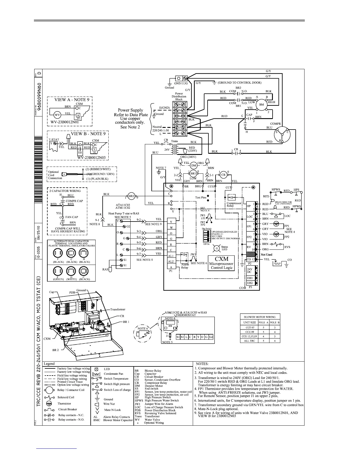
Typical Wiring Diagram - Manual and Auto Change Over With CXM Controller

Related product manuals