EasyManua.ls Logo

ClimateMaster Tranquility 27 - Accessory Connections; Water Solenoid Valves; Two-stage Units

ClimateMaster Tranquility 27
50 pages
Print Icon
To Next Page IconTo Next Page
To Next Page IconTo Next Page
To Previous Page IconTo Previous Page
To Previous Page IconTo Previous Page
Loading...
Residential H&V - 60Hz HFC-410A
Rev.: 9 March, 2011B
22
Geothermal Heat Pump Systems
Electrical - Low Voltage Wiring
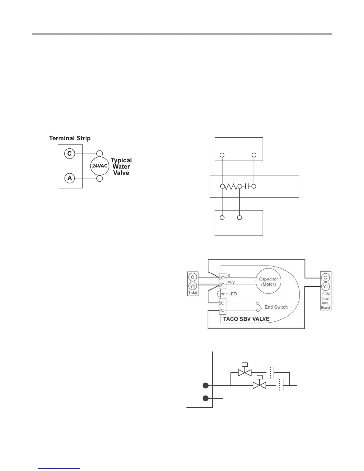
Figure 20: Accessory Wiring
Figure 21: AVM Valve Wiring
C
C
Thermostat
Y1
1
2
3
Y1
AVM
Taco Valve
Heater Switch
Figure 22: Taco SBV Valve Wiring
From Water Source
IN
OUT
NOTE: Shut-off valves, strainers and
other required components not shown.
Solenoid
Valve
Flow
Regulator
To Discharge
Stage 1
Stage 2
Figure 23: Two-Stage Piping
Water Solenoid Valves
An external solenoid valve(s) should be used on ground
water installations to shut off À ow to the unit when the
compressor is not operating. A slow closing valve may be
required to help reduce water hammer. Figure 20 shows
typical wiring for a 24VAC external solenoid valve. Figures
21 and 22 illustrate typical slow closing water control valve
wiring for Taco 500 series (ClimateMaster P/N AVM…)
and Taco SBV series valves. Slow closing valves take
approximately 60 seconds to open (very little water will À ow
before 45 seconds). Once fully open, an end switch allows
the compressor to be energized. Only relay or triac based
electronic thermostats should be used with slow closing
valves. When wired as shown, the slow closing valve will
operate properly with the following notations:
1. The valve will remain open during a unit lockout.
2. The valve will draw approximately 25-35 VA through the
Y” signal of the thermostat.
Note: This valve can overheat the anticipator of an
electromechanical thermostat. Therefore, only relay or
triac based thermostats should be used.
Two-stage Units
Tranquility 27™ (TT) two-stage units should be designed with
two parallel valves for ground water applications to limit water
use during ¿ rst stage operation. For example, at 1.5 gpm/
ton [2.0 l/m per kW], an 049 unit requires 6 gpm [23 l/m] for
full load (2nd stage) operation, but only 4 gpm [15 l/m] during
1st stage operation. Since the unit will operate on ¿ rst stage
80-90% of the time, signi¿ cant water savings can be realized
by using two parallel solenoid valves with two À ow regulators.
In the example above, stage one solenoid would be installed
with a 4 gpm [15 l/m] À ow regulator on the outlet, while stage
two would utilize a 2 gpm [8 l/m] À ow regulator. When stage
one is operating, the second solenoid valve will be closed.
When stage two is operating, both valves will be open,
allowing full load À ow rate.
Figure 23 illustrates piping for two-stage solenoid valves.
Review ¿ gures 20-22 for wiring of stage one valve. Stage two
valve should be wired between terminal “Y2” (ECM board)
and terminal “C.”
Note: When EWT is below 50°F [10°C], a minimum of 2
gpm per ton (2.6 l/m per kW) is required.
Accessory Connections
A terminal paralleling the compressor contactor coil has
been provided on the CXM control. Terminal “A” is designed
to control accessory devices, such as water valves. Note:
This terminal should be used only with 24 Volt signals
and not line voltage. Terminal “A” is energized with the
compressor contactor. See Figure 20 or the speciÄ c unit
wiring diagram for details.

Related product manuals