EasyManua.ls Logo

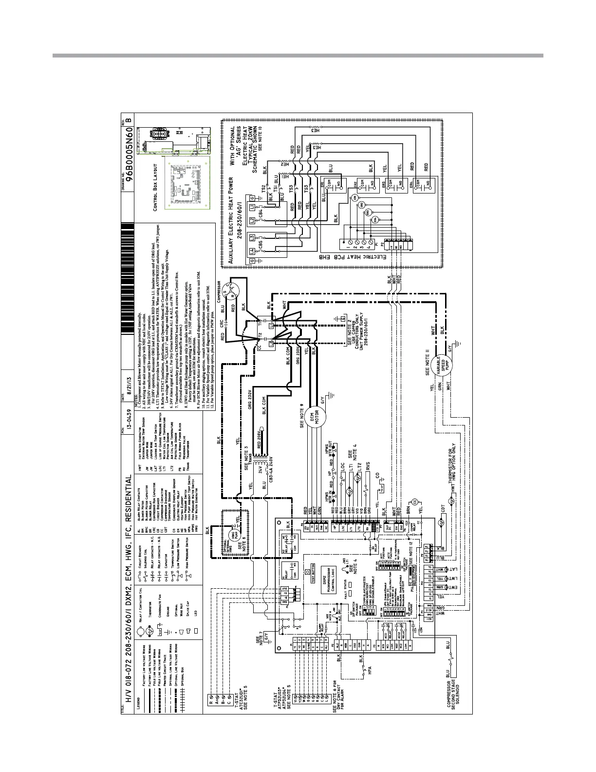
ClimateMaster Tranquility Digital - DXM2 Wiring Diagrams; DXM2 Wiring Diagram: Internal Flow Controller

ClimateMaster Tranquility Digital
62 pages
Print Icon
To Next Page IconTo Next Page
To Next Page IconTo Next Page
To Previous Page IconTo Previous Page
To Previous Page IconTo Previous Page
Loading...
53
Troubleshooting Guide -
Tranquility
®
Digital (DXM2) Packaged Units
Rev.: 01/15/14
DXM2 Wiring Diagram with Internal Flow Controller -
96B0005N60
This diagram includes typical wiring details but is not applicable to all units. For speci c unit wiring, refer to the diagram or the
units’ control panel.

Related product manuals