EasyManua.ls Logo

CLIVET ELFOROOM 3 - Page 149

CLIVET ELFOROOM 3
Print Icon
To Next Page IconTo Next Page
To Next Page IconTo Next Page
To Previous Page IconTo Previous Page
To Previous Page IconTo Previous Page
Loading...
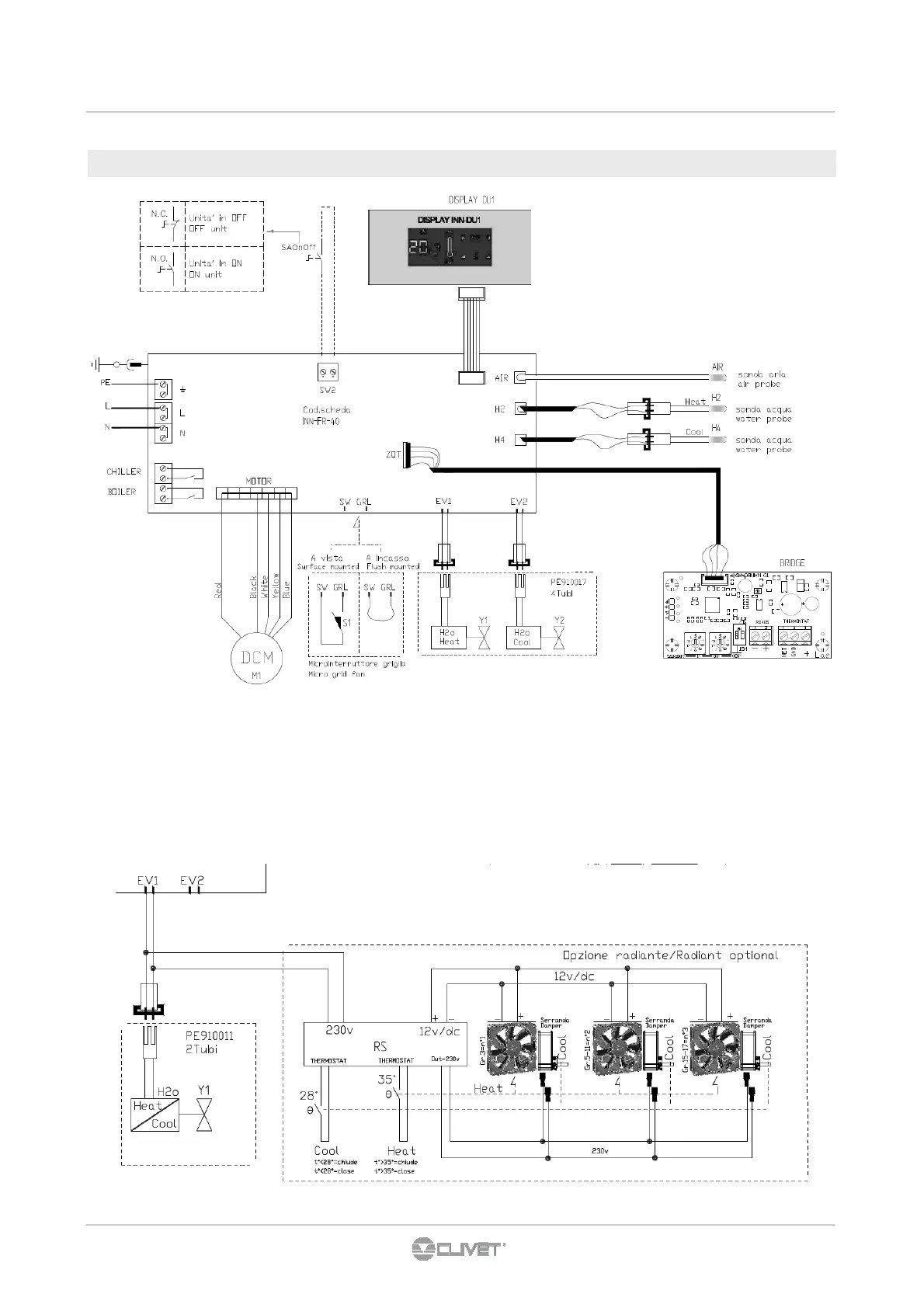
5 - CONEXIONES ELÉCTRICAS
5.6 Conexión con termostato a bordo
BOILER salida consentimiento calefacción (boiler-caldera)
contacto libre máx. 1 A
CHILLER salida consentimiento enfriamiento (chiller)
contacto libre máx. 1 A
SW2 ON / OFF remoto
H2 sonda temperatura agua (4T calefacción)
2T enfriamiento / calefacción
H4 sonda temperatura agua (4T enfriamiento)
S1 microinterruptor seguridad
Y1 electroválvula agua (4T calefacción)
(2T calefacción / enfriamiento)
Y2 electroválvula agua (4T enfriamiento)
4 tubos : Y1 + Y2
2 tubos : Y1
149

Table of Contents

Related product manuals