EasyManua.ls Logo

CLIVET ELFOROOM 3 - Page 150

CLIVET ELFOROOM 3
Print Icon
To Next Page IconTo Next Page
To Next Page IconTo Next Page
To Previous Page IconTo Previous Page
To Previous Page IconTo Previous Page
Loading...
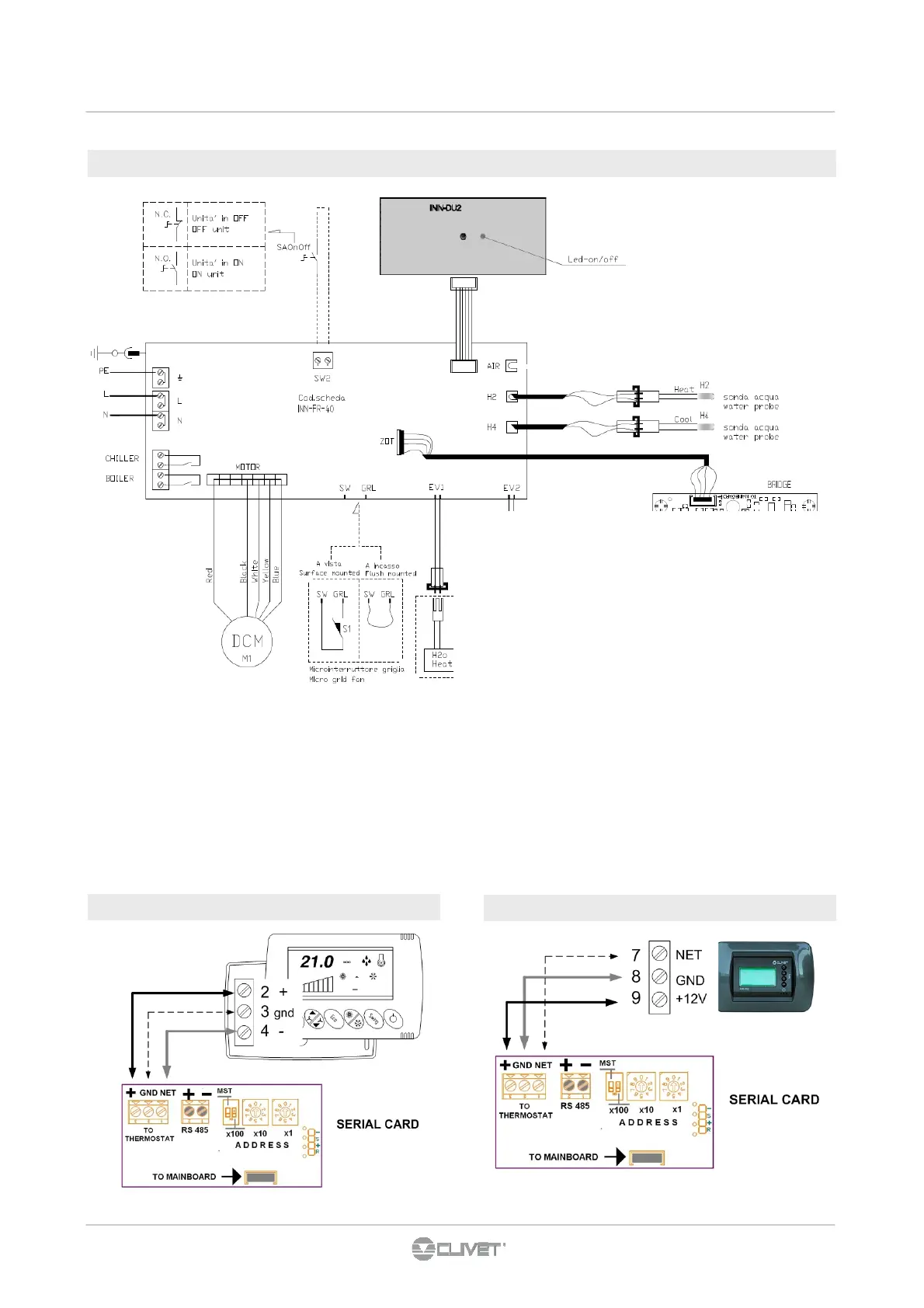
5 - CONEXIONES ELÉCTRICAS
5.7 Conexión a termostato ambiente electrónico HID-Txx
Ventilación apagada a set point satisfecho
TERMOSTATO HID-Ti2
TERMOSTATO HID-T2 / T3
4 tubos : Y1 + Y2
2 tubos : Y1
BOILER salida consentimiento calefacción (boiler-caldera)
contacto libre máx. 1 A
CHILLER salida consentimiento enfriamiento (chiller)
contacto libre máx. 1 A
SW2 ON / OFF remoto
H2 sonda temperatura agua (4T calefacción)
2T enfriamiento / calefacción
H4 sonda temperatura agua (4T enfriamiento)
S1 microinterruptor seguridad
off = ventilazione spenta a setpoint soddisfatto
Y1 electroválvula agua (4T calefacción)
(2T calefacción / enfriamiento)
Y2 electroválvula agua (4T enfriamiento)
Opción radiante: ver 5.6
150

Table of Contents

Related product manuals