EasyManua.ls Logo

CLIVET ELFOROOM 3 - Page 196

CLIVET ELFOROOM 3
Print Icon
To Next Page IconTo Next Page
To Next Page IconTo Next Page
To Previous Page IconTo Previous Page
To Previous Page IconTo Previous Page
Loading...
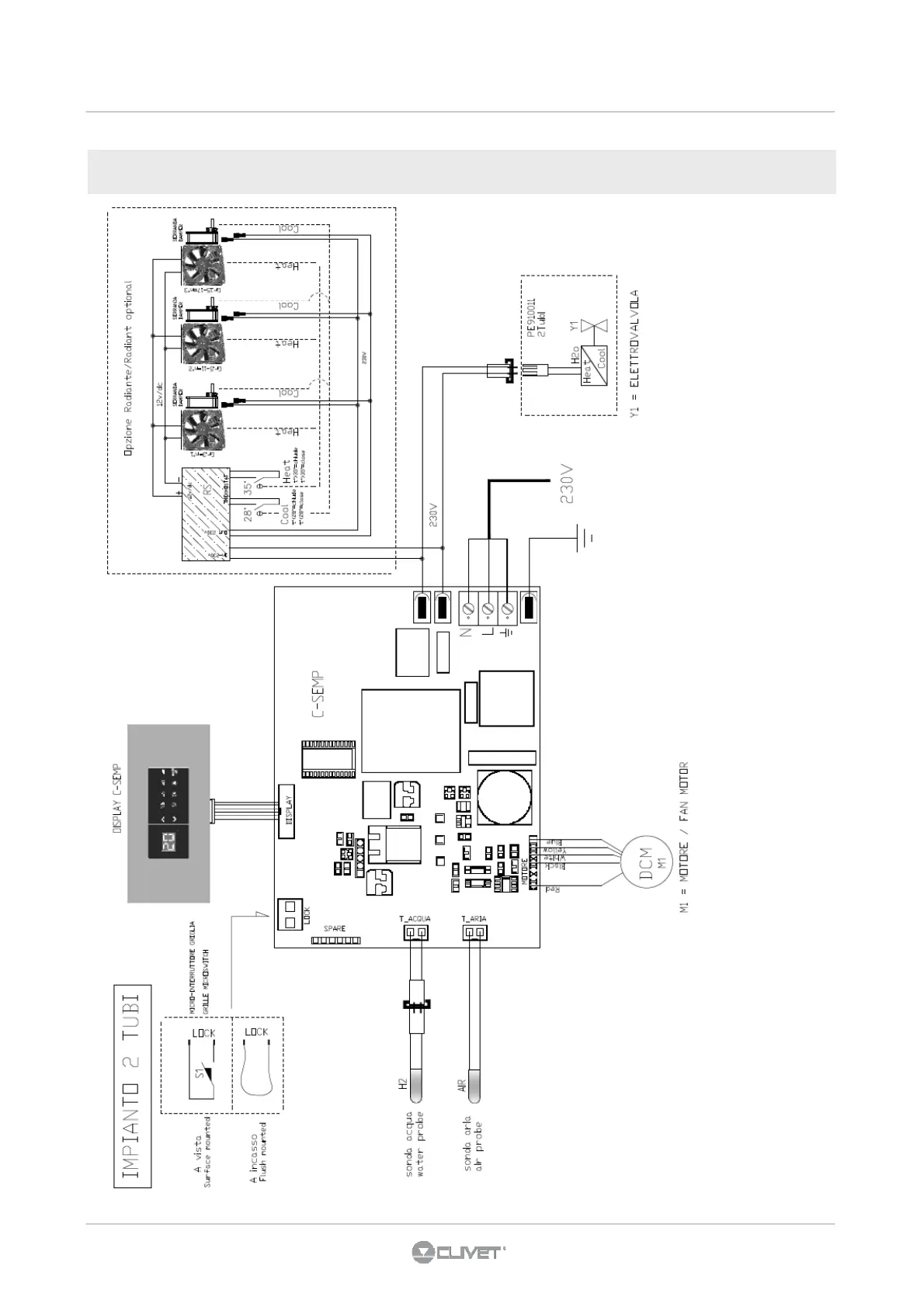
5 - ELEKTRISCHE ANSCHLÜSSE
5.10 Vereinfachte elektronische Steuerung mit stufenlose Modulierung Motor DC mit 4 Geschwindigkeiten und
eingebautem Thermostat in Gerät
196

Table of Contents

Related product manuals