EasyManua.ls Logo

CLIVET ELFOROOM 3 - Page 197

CLIVET ELFOROOM 3
Print Icon
To Next Page IconTo Next Page
To Next Page IconTo Next Page
To Previous Page IconTo Previous Page
To Previous Page IconTo Previous Page
Loading...
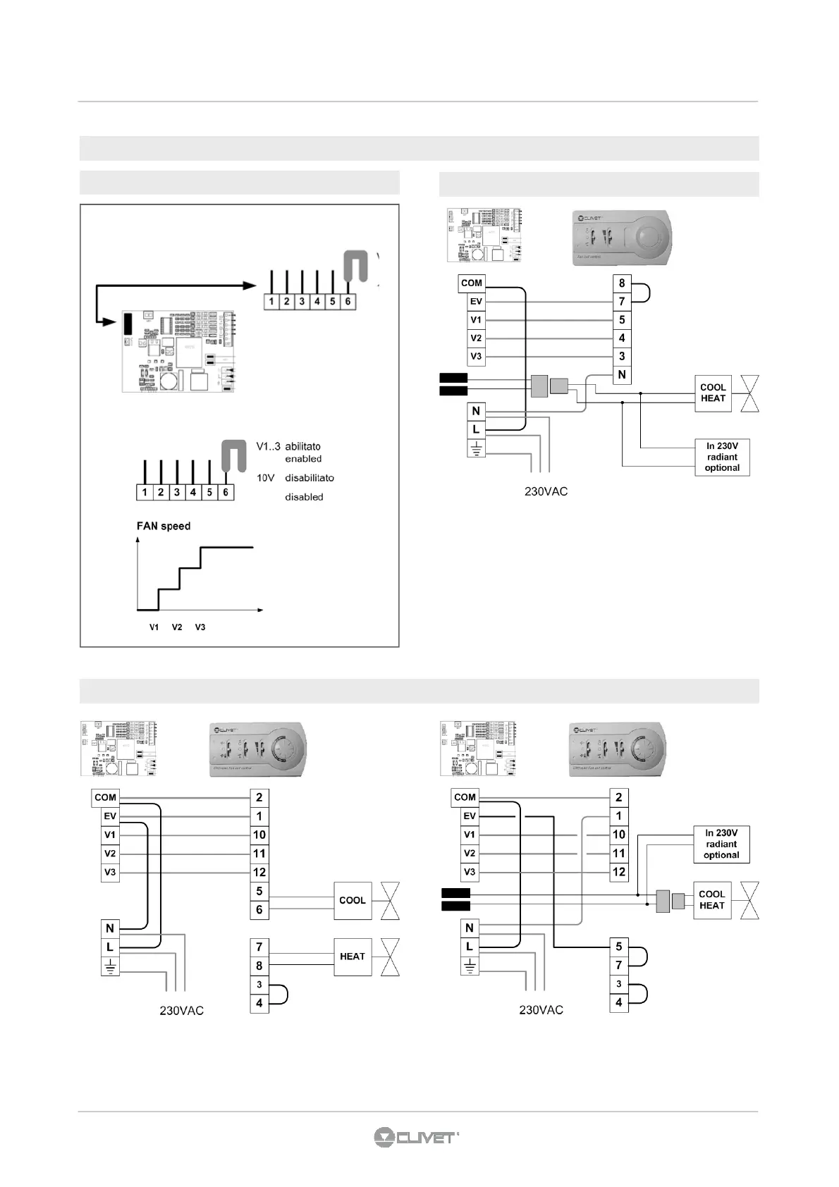
5 - ELEKTRISCHE ANSCHLÜSSE
Fernbedienung mit Sommer/Winter + 3 Ventilatorstufen + Ein/Aus
5.11
4 Geschwindigkeiten
Fernbedienung mit 3-Stufen-Schalter + Ein/Aus
197

Table of Contents

Related product manuals