EasyManua.ls Logo

CombiLift C6000lbs - Hydraulic Drive Circuit

Default Icon
72 pages
Print Icon
To Next Page IconTo Next Page
To Next Page IconTo Next Page
To Previous Page IconTo Previous Page
To Previous Page IconTo Previous Page
Loading...
Combilift Ltd. C4000-C5000XL O&S Manual
5-8
C4000-OM-EN-08
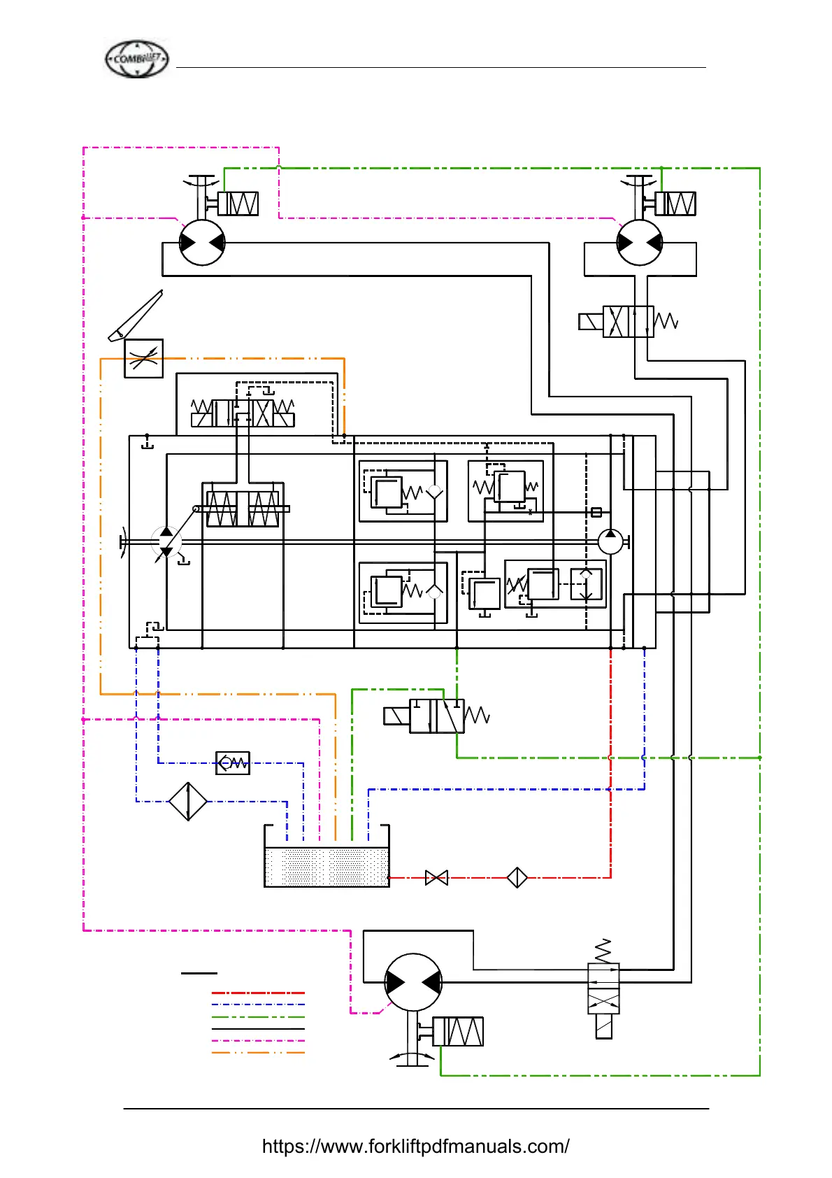
5.8: Hydraulic Drive Circuit:
P
L
B
A
T1
350 BAR
T2
A
18 BAR
G
S
350 BAR
Ps
B
P
A
B
A
B
P
AB
TP
X1 X2
R
L
13
2
L
MA
MBFe
TRANSMISSION PUMP
Rotary Inch Valve
Rear Wheel Motor
LH WHEEL MOTOR
RH WHEEL MOTOR
Drive 4-Port
Changeover Valve
Legend
Pump Suction Line
Pump Drain Lines
Brake Release Lines
Motor Drive Lines
Motor Drain Lines
Control Pressure
b
a
OIL COOLER
BRAKE VALVE
NON-RETURN
VALVE - 0.5 BAR
SHUT-OFF
VALVE
SUCTION FILTER
10 MICRON NOMINAL
Purge Valve
A
B
T
P
OPTIONAL
Auto Carousel (Dead Band)
4-Port Changeover Valve
https://www.forkliftpdfmanuals.com/

Related product manuals