EasyManua.ls Logo

CombiLift C6000lbs - Page 54

Default Icon
72 pages
Print Icon
To Next Page IconTo Next Page
To Next Page IconTo Next Page
To Previous Page IconTo Previous Page
To Previous Page IconTo Previous Page
Loading...
Combilift Ltd. C4000-C5000XL O&S Manual
5-11
C4000-OM-EN-08
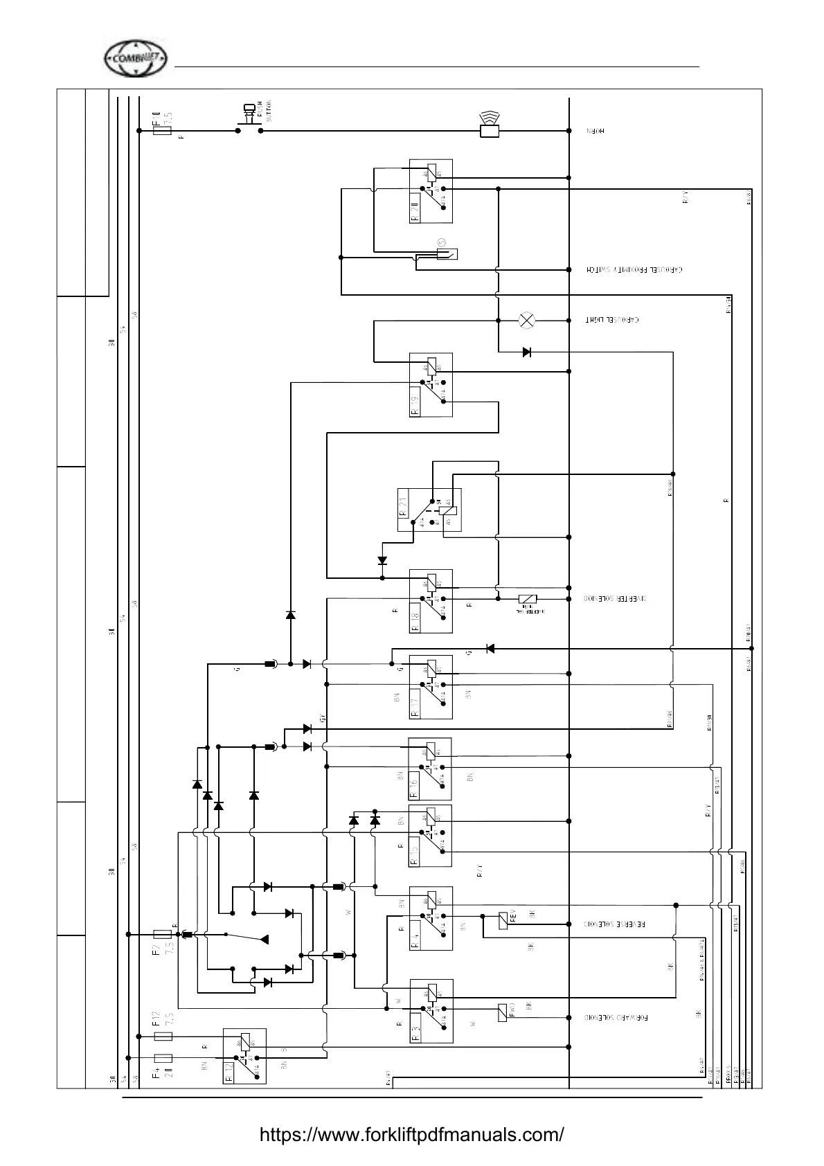
COMBILIFT LTD Title: KUBOTA Diesel Electric CircuitModel: C4000
Revision Date:14/11/11
Drawn By : David Murray
Section: 3 (of 3)
https://www.forkliftpdfmanuals.com/

Related product manuals