EasyManua.ls Logo

CombiLift C6000lbs - Page 57

Default Icon
72 pages
Print Icon
To Next Page IconTo Next Page
To Next Page IconTo Next Page
To Previous Page IconTo Previous Page
To Previous Page IconTo Previous Page
Loading...
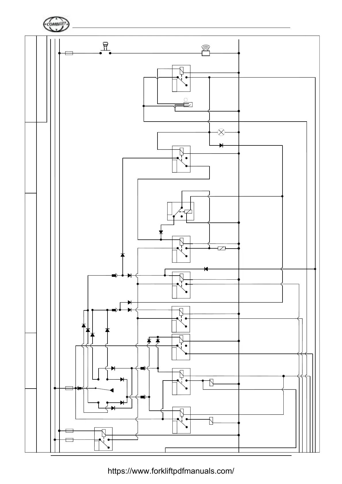
Combilift Ltd. C4000-C5000XL O&S Manual
5-14
C4000-OM-EN-08
R17/87
R1/86
R16/87
R13/87
PROX 5
BK
R14/86
BK
R13/87
R20/87
R6/87
R21/86
R11/30
R/Y
R13/87
R16/86
R
R14/30
R17/86 & R6/87
R/Y
G
R/Y
R 3
R4/87
W
R
W
87
87A
85
86
30
R 4
BNR
85
86
87A
87
30
BK
BK
W
FWD
BN
REV
BK
GY
R 17
R 16
R 15
BN
R
87
85
30
86
87A
BN
85
86
87A
87
30
G
BN
87
85
30
86
87A
R 18
R
87
87A
85
86
30
BN
DIVERTER SOL
10/30
BN
G
R
Drawn By : David Murray
Revision Date:03/02/12
Section: 3 (of 3)
54
30
58
F10
7.5
P
BUTTON
PUSH
R 19
R 21
86
30
87
85
87A
85
86
30
87
87A
85
86
R 20
87A
30
87
5
R1/86
R6/87
HORN
CAROUSEL PROXIMITY SWITCH
CAROUSEL LIGHT
DIVERTER SOLENIOD
REVERSE SOLENOID
FORWARD SOLENOID
Title: GM LPG Electric Circuit
30
Model: C4000
F12F4 F2
COMBILIFT LTD
30
54
58
R 12
20
R
BN
87
30
85
86
87A
B
BN
7.57.5
R
54
58
30
58
54
https://www.forkliftpdfmanuals.com/

Related product manuals