EasyManua.ls Logo

CombiLift C6000lbs - Page 62

Default Icon
72 pages
Print Icon
To Next Page IconTo Next Page
To Next Page IconTo Next Page
To Previous Page IconTo Previous Page
To Previous Page IconTo Previous Page
Loading...
Combilift Ltd. C4000-C5000XL O&S Manual
5-19
C4000-OM-EN-08
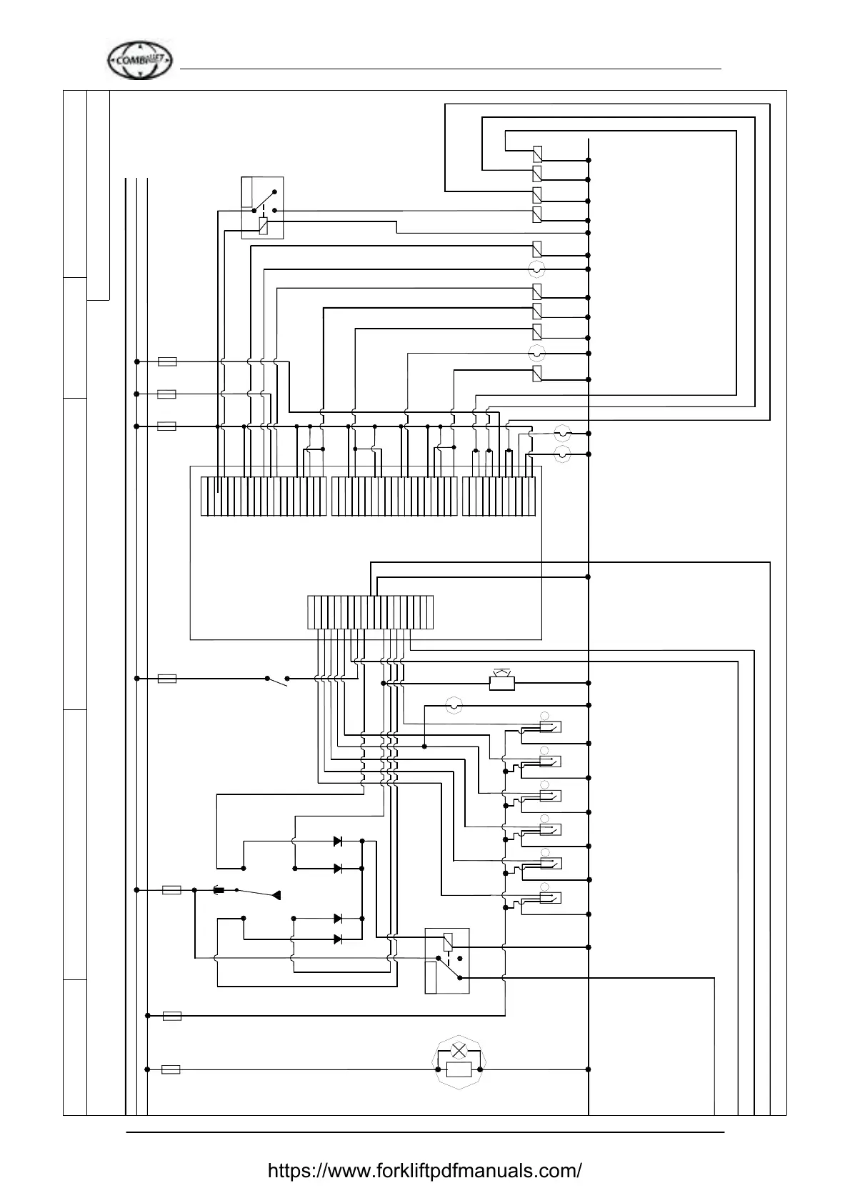
COMBILIFT LTD
F11
7.5
F13
R/Y
7.5
BN
FLASHING BEACON
ZD1
O
R
R
R
GY
PIN 14
PIN 18
R 15
Drawn By : David Murray
Revision Date:09/06/11
Title: Kub Diesel Electric Circuit (PLC)
Model: C4000 - C5000 & C5000XL
58
54
GR
F2
7.5
R
R
L
R
GR
Forward
Rev
GY
BN
GY
7.5
F5
58
54
SWITCH
FOOT
BK
PIN 2
BK
PIN 1
PLUG X4
BK
BK
W
O
O
BK
GY
Y
R
GR
BN
PIN 10
PIN 4
PIN 3
PIN 6
PIN 8
PIN 7
PIN 5
PIN 9
PIN 11
PIN 15
PIN 17
PIN 16
PIN 14
PIN 13
PIN 12
7.5
Section: 2 of 2
BN
PIN 2
PLUG X5.1
PIN 1
BN
F4
20
BN
F5
O
7.5
PLUG X5.2
PIN 18
PIN 10
PIN 4
PIN 5
PIN 8
PIN 7
PIN 6
PIN 3
PIN 9
PIN 12
PIN 13
PIN 17
PIN 16
PIN 15
PIN 14
PIN 11
R
PIN 6
PIN 2
PIN 5
PIN 4
PIN 3
PIN 1
PIN 7
PIN 8
PIN 11
PIN 12
PIN 13
PIN 10
PIN 9
BN
O
BN
O
R
O
BN
GY
BN
GR
BN
GR
R
BN
BN
BN
58
F2
54
R
BN
O
GY
O
GR
R
R
85
87
R 9
86
30
87A
FRONT WHEEL TO 0° PROX
REAR WHEEL AT 90° PROX
FRONT WHEEL AT 90° PROX
REAR WHEEL TO 0° PROX
86
85
R
87
30
87A
BN
BL
BK
BK
BN
BN
BK
BN
BL
2
BL
1
BL
3
O
REVERSE BLEEPER
GUIDE ROLLER LIGHT
CAROUSEL PROXIMITY SWITCH
MAST HEIGHT PORX SWITCH
R
BK
BK
BN
Y
5
BL
4 6
GY
0° INDICATOR LAMP
90° INDICATOR LAMP
PLUG X3.1
PIN 10
PIN 2
PIN 15
PIN 16
PIN 1
PIN 18
PIN 17
PIN 3
PIN 4
PIN 6
PIN 9
PIN 7
PIN 8
PIN 5
BN
BN
W
W
GR
BN
BN
R
W
R
W
R
DRIVE SOLENOID
BRAKE LIGHT
BRAKE SOLENOID
REFLEX STEERING SOLENOID
6 PORT STEERING SOLENOID
90° SOLENIOD
0° SOLENIOD
DB SOLENOID
CAROUSEL INDICATOR LAMP
REVERSE SOLENOID
FORWARD SOLENOID
https://www.forkliftpdfmanuals.com/

Related product manuals