EasyManua.ls Logo

CombiLift C6000lbs - Page 64

Default Icon
72 pages
Print Icon
To Next Page IconTo Next Page
To Next Page IconTo Next Page
To Previous Page IconTo Previous Page
To Previous Page IconTo Previous Page
Loading...
Combilift Ltd. C4000-C5000XL O&S Manual
5-21
C4000-OM-EN-08
7.5
COMBILIFT LTD
F11
R/Y
7.5
F13
BN
ZD1
R
FLASHING BEACON
R
O
R
PIN 9
R
Model: C4000 - C5000 & C5000XL
58
54
30
Rev
R
GR
7.5
F2
R
L
BN
BN
GR
R
GY
W
W
GY
W
R
BN
R
W
GR
BN
R
R
90° INDICATOR LAMP
0° INDICATOR LAMP
DB SOLENOID
CAROUSEL INDICATOR LAMP
REFLEX STEERING SOLENOID
0° SOLENIOD
90° SOLENIOD
BRAKE LIGHT
BRAKE SOLENOID
6 PORT STEERING SOLENOID
DRIVE SOLENOID
REVERSE SOLENOID
FORWARD SOLENOID
BN
BN
BN
Drawn By : David Murray
Revision Date:09/06/11
58
Section: 2 (of 2)
54
30
7.5
F2
BN
F4
20
BN
BN
BN
R
7.5
F5
O
BN
O
O
O
GY
BN
GR
BN
R
R
O
GY
GR
O
86
R 9
85
87
30
87A
BN
BN
Forward
BN
58
54
30
PLUG X4
GY
7.5
F5
SWITCH
FOOT
BK
BK
BK
BK
BK
W
O
O
PIN 4
PIN 3
PIN 2
PIN 1
PIN 8
PIN 7
PIN 6
PIN 5
BK
GY
R
R
R 1A
87A
87
85
30
86
GR
BK
BN
BN
BL
1
BL
BK
BK
BK
BN
BN
2
BL
3
BL
BN
4
BL
5
FRONT WHEEL TO 0° PROX
REAR WHEEL TO 0° PROX
O
FRONT WHEEL AT 90° PROX
CAROUSEL PROXIMITY SWITCH
REAR WHEEL AT 90° PROX
Y
GR
GY
BN
R
Y
R
6
PIN 17
PIN 13
PIN 12
PIN 11
PIN 10
PIN 16
PIN 14
PIN 15
PIN 18
MAST HEIGHT PORX SWITCH
REVERSE BLEEPER
GUIDE ROLLER LIGHT
PIN 14
PIN 3
PIN 8
PIN 10
PIN 9
PIN 7
PIN 5
PIN 6
PIN 4
PLUG X3.1
PIN 18
PIN 2
PIN 1
PIN 17
PIN 15
PIN 16
PIN 15
PIN 4
PIN 9
PIN 13
PIN 11
PIN 12
PIN 10
PIN 8
PIN 7
PIN 6
PIN 5
PLUG X5.2
PIN 3
PIN 2
PIN 1
PIN 18
PIN 17
PIN 16
PIN 5
PIN 10
PIN 14
PIN 12
PIN 13
PIN 11
PIN 9
PIN 8
PIN 7
PIN 6
PLUG X5.1
PIN 1
PIN 4
PIN 3
PIN 2
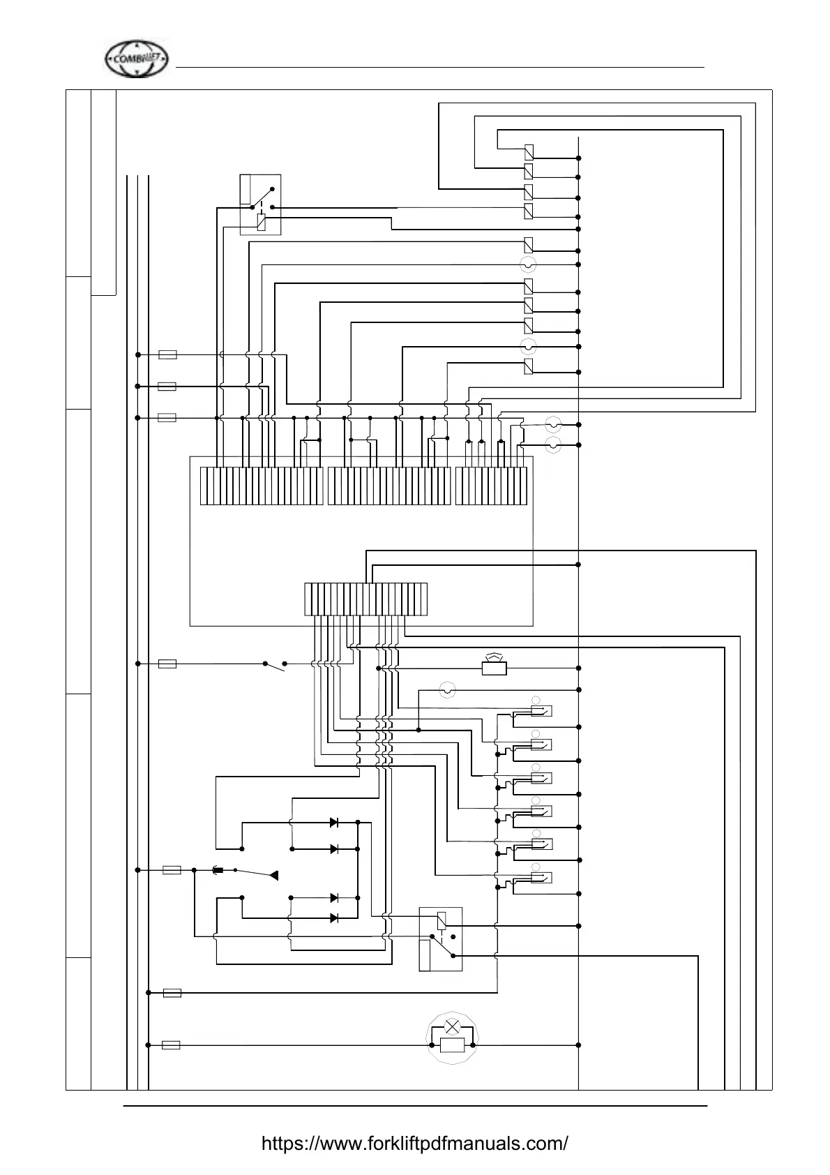
Title: GM LPG Electric Circuit (PLC)
https://www.forkliftpdfmanuals.com/

Related product manuals