EasyManua.ls Logo

CombiLift C6000lbs - Page 66

Default Icon
72 pages
Print Icon
To Next Page IconTo Next Page
To Next Page IconTo Next Page
To Previous Page IconTo Previous Page
To Previous Page IconTo Previous Page
Loading...
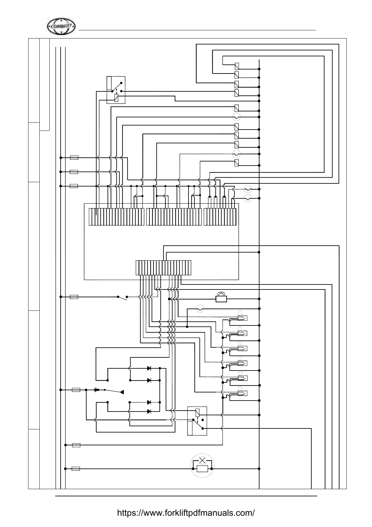
Combilift Ltd. C4000-C5000XL O&S Manual
5-23
C4000-OM-EN-08
Revision Date:17/08/12
Drawn By : David Murray
Section: 2 (of 2)
Title: GM LPG Tier IV (PLC)
Model: C4000 - C5000 & C5000XL
COMBILIFT LTD
GY
O
O
O
R
F2
7.5
58
R
87A
30
87
86
85
BN
BN
54
BN
BK
R
Y
GR
GY
BN
R
Y
BK
BK
O
W
O
BK
Forward
SWITCH
FOOT
BK
7.5
F5
GY
54 54
R
REVERSE SOLENOID
90° INDICATOR LAMP
0° INDICATOR LAMP
PIN 8
PIN 7
PIN 10
PIN 9
GR
W
BN
6 PORT STEERING SOLENOID
REFLEX STEERING SOLENOID
CAROUSEL INDICATOR LAMP
BRAKE SOLENOID
0° SOLENIOD
90° SOLENIOD
DB SOLENOID
BRAKE LIGHT
DRIVE SOLENOID
FORWARD SOLENOID
R 9
F5
7.5
PIN 18
PIN 2
PIN 16
PIN 17
PIN 18
PIN 9
R
PIN 10
PIN 11
PIN 12
PIN 13
PIN 14
PIN 15
PIN 5
PIN 7
PIN 8
PIN 6
PIN 3
PIN 4
PIN 12
PIN 2
PIN 1
PIN 3
PIN 6
PIN 5
PIN 4
PLUG X3.1
PIN 13
PIN 14
PIN 17
PIN 18
PIN 15
PIN 16
W
W
BN
BN
R
R
BN
BN
GY
PIN 5
PIN 9
PIN 6
PIN 8
PIN 7
PIN 11
PIN 10
PIN 1
PIN 3
PIN 4
PIN 2
PLUG X5.2
BN
BN
GR
R
BN
GR
PLUG X4
PIN 1
PIN 4
PIN 11
PIN 13
PIN 14
PIN 15
PIN 12
PIN 16
PIN 17
PIN 5
PIN 8
PIN 7
PIN 10
PIN 9
PIN 6
BN
BN
GY
BN
O
O
O
R
PIN 1
PIN 3
PIN 2
PLUG X5.1
BN
BN
BN
F4
20
W
GY
R
GR
58
R
R
O
R
FRONT WHEEL TO 0° PROX
REAR WHEEL TO 0° PROX
O
FLASHING BEACON
BL
BL
1
CAROUSEL PROXIMITY SWITCH
FRONT WHEEL AT 90° PROX
MAST HEIGHT PORX SWITCH
REAR WHEEL AT 90° PROX
BL
BL
2
3
BL
4
5
REVERSE BLEEPER
GUIDE ROLLER LIGHT
6
F13
7.5
Rev
R 1A
ZD1
R
BN
30
87A
87
85
86
BN
BK
R
GR
GY
GR
R/Y
7.5
BN
F11
R
L
58
R
F2
7.5
BK
BK
BN
BN
BK
BN
BK
https://www.forkliftpdfmanuals.com/

Related product manuals