EasyManua.ls Logo

Comelit 1998NA - Page 76

Comelit 1998NA
Print Icon
To Next Page IconTo Next Page
To Next Page IconTo Next Page
To Previous Page IconTo Previous Page
To Previous Page IconTo Previous Page
Loading...
UT9200
E
T
R
GND
SE
NO NC
C
O
M
LL
+
VV
-
UT1010
UT9200
E
T
R
GND
SE
NO NC
C
O
M
LL
+
VV
-
UT1010
1224A
P
L
P
L
S
L
S
L
M
L
M
L
+
~
~
-
230V~
12V~
1200
120-230 V
-
+
1595
120-230 V
-
+
1595
1200
12V~
230V~
-
~
~
+
L
M
L
M
L
S
L
S
L
P
L
P
1224A
UT9200
E
T
R
GND
SE
NO NC
C
O
M
LL
+
VV
-
UT1010
120-230 V
-
+
1595
1
1
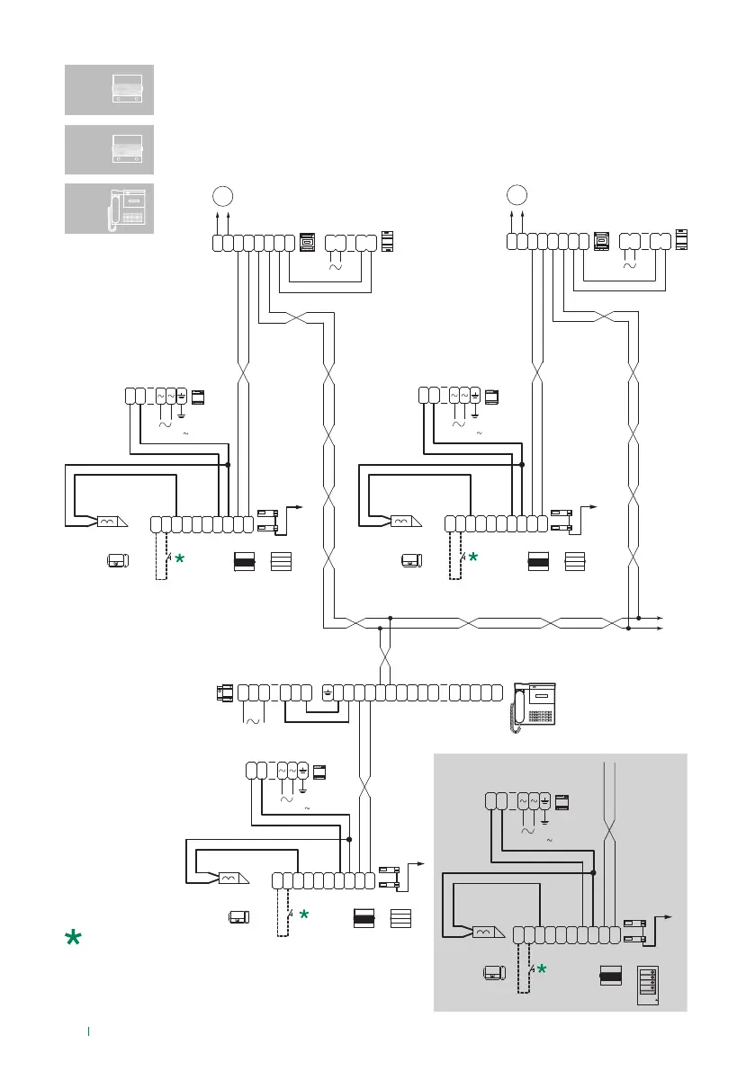
POSTO ESTERNO PRINCIPALE AUDIO
MAIN EXTERNAL AUDIO UNIT
PLATINE EXTÉRIEUR PRINCIPAL AUDIO
POSTI ESTERNI SECONDARI AUDIO
SECONDARY EXTERNAL AUDIO UNITS
PLATINE EXTÉRIEUR SECONDAIRES AUDIO
1
2
~
24
0
2
3
0
1195
0
1
2
T
X
R
X
~
0
L
M
L
M
2
4
G
N
D
L
P
C
H
C
H
1
L
P
2
O
U
T
O
U
T
N
O
C
1998NA
UT9270
E
T
R
GND
SE
NO NC
C
O
M
LL
+
VV
-
UT1010
120-230 V
-
+
1595
76
Max 20 m. Pulsante comando apriporta locale.
Max 20 m. Local door-opener button.
Max 20 m. Bouton commande ouvre-porte local.

Table of Contents

Related product manuals