EasyManua.ls Logo

Comelit 1998NA - Page 89

Comelit 1998NA
Print Icon
To Next Page IconTo Next Page
To Next Page IconTo Next Page
To Previous Page IconTo Previous Page
To Previous Page IconTo Previous Page
Loading...
89
+
-
~
1
L
IN
L
IN
L
4
L
3
L
2
L
1
L
3
L
2
L
4
L
230V
~ ~
4888C
1424
LPin
S
L
S
L
M
L
M
L
~
LPout
+
-
~
+
-
~
1
L
IN
L
IN
L
4
L
3
L
2
L
1
L
3
L
2
L
4
L
230V
~ ~
4888C
1424
LPin
S
L
S
L
M
L
M
L
~
LPout
+
-
~
1200
12V~
230V~
1424
~
LPout
+
-
~
M
L
LPin
S
L
S
L
M
L
3
E
T
R
GND
SE
NO NC
C
O
M
LL
+
VV
-
UT9270
~
24
0
2
3
0
1195
0
1
2
T
X
R
X
~
0
L
M
L
M
2
4
G
N
D
L
P
C
H
C
H
1
L
P
2
O
U
T
O
U
T
N
O
C
1998NA
~
24
0
2
3
0
1195
0
1
2
T
X
R
X
~
0
L
M
L
M
2
4
G
N
D
L
P
C
H
C
H
1
L
P
2
O
U
T
O
U
T
N
O
C
1998NA
JP3
BA
JP2
120-230 V
-
+
1595
21
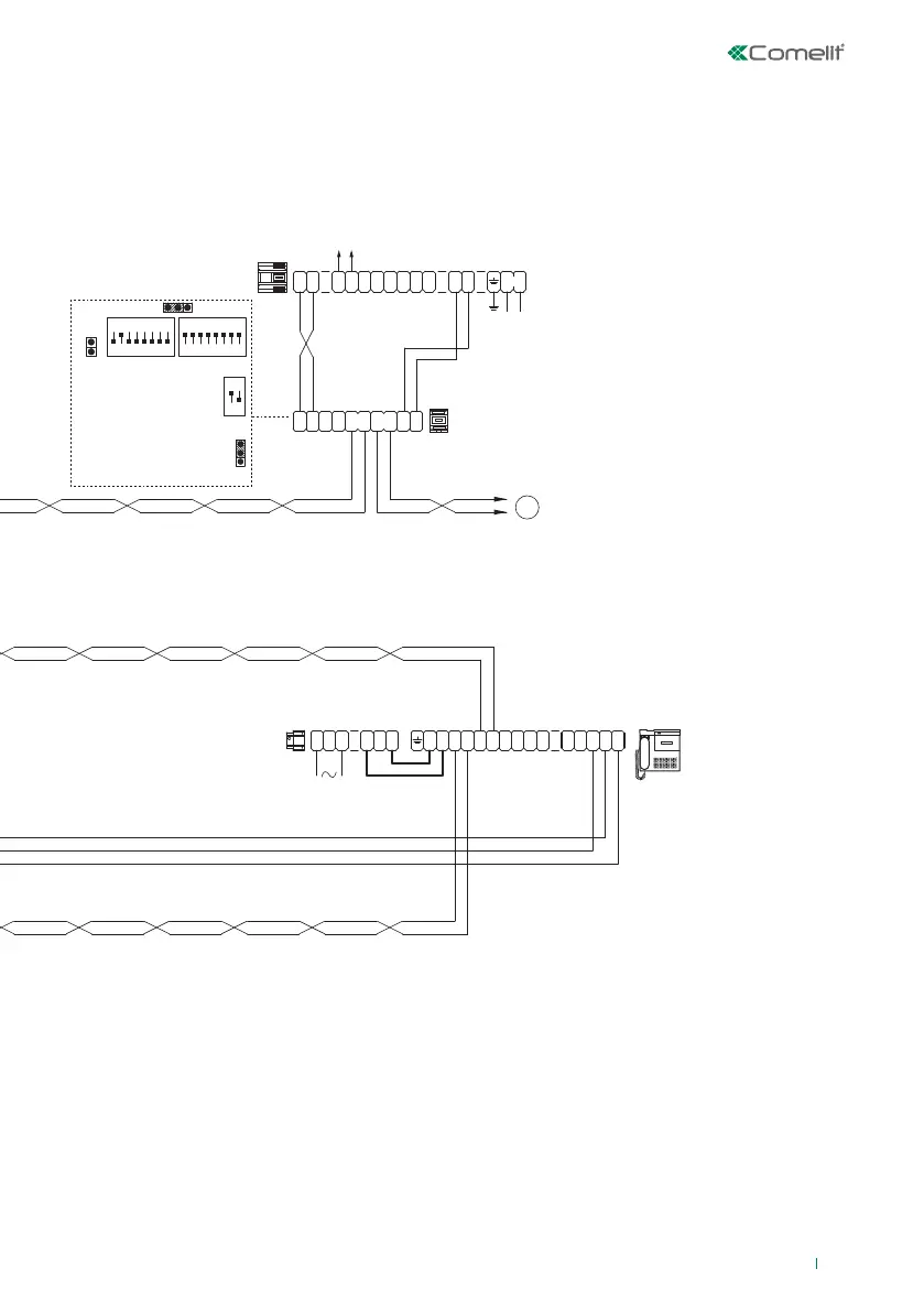
CENTRALINI PRINCIPALI
MAIN SWITCHBOARDS
STANDARDS PRINCIPAUX
POSTO ESTERNO PRINCIPALE
MAIN EXTERNAL UNIT
PLATINE EXTÉRIEURE PRINCIPALE
1-100
USER
1-100
USER
A
B
JP2
TOP 3
B
A
JP1
ON
S1
1 2 3 4 6 75 8
ON
S3
1 2
ON
S2
1 2 3 4 6 75 8
JP3
A
B
JP2
TOP 1
B
A
JP1
ON
S1
1 2 3 4 6 75 8
ON
S3
1 2
ON
S2
1 2 3 4 6 75 8
JP3
A
B
JP2
TOP 1
B
A
JP1
ON
S1
1 2 3 4 6 75 8
ON
S3
1 2
ON
S2
1 2 3 4 6 75 8
JP3
SIMPLEBUS
TOP
UT1010

Table of Contents

Related product manuals