EasyManua.ls Logo

Comelit MT SB2 01 - Page 18

Comelit MT SB2 01
Print Icon
To Next Page IconTo Next Page
To Next Page IconTo Next Page
To Previous Page IconTo Previous Page
To Previous Page IconTo Previous Page
Loading...
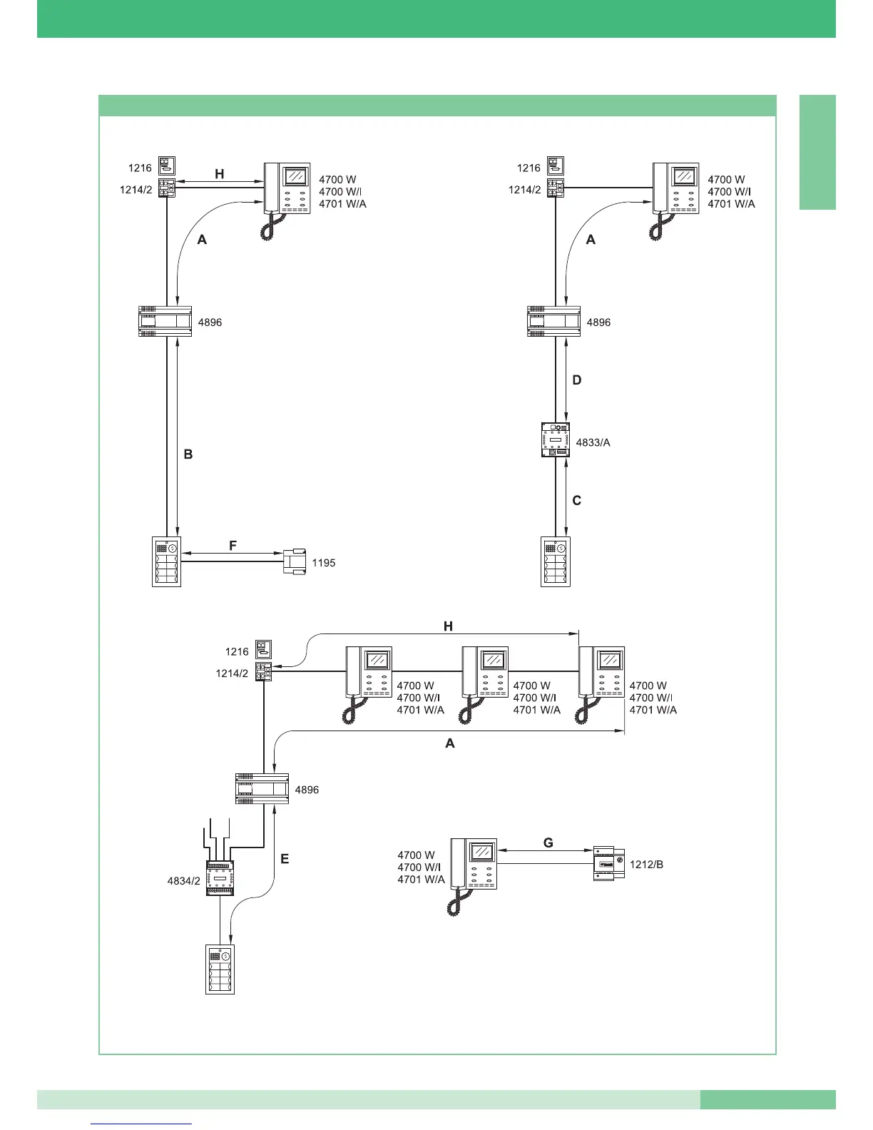
Figure per le distanze
MT SB2 01
17
MT SB2 01
ITALIANO

Table of Contents

Related product manuals