EasyManua.ls Logo

Comelit MT SB2 01 - Wiring Diagrams: Logicom Video Systems; 1-Door Logicom Video Entrance (SB2 V;01 L)

Comelit MT SB2 01
Print Icon
To Next Page IconTo Next Page
To Next Page IconTo Next Page
To Previous Page IconTo Previous Page
To Previous Page IconTo Previous Page
Loading...
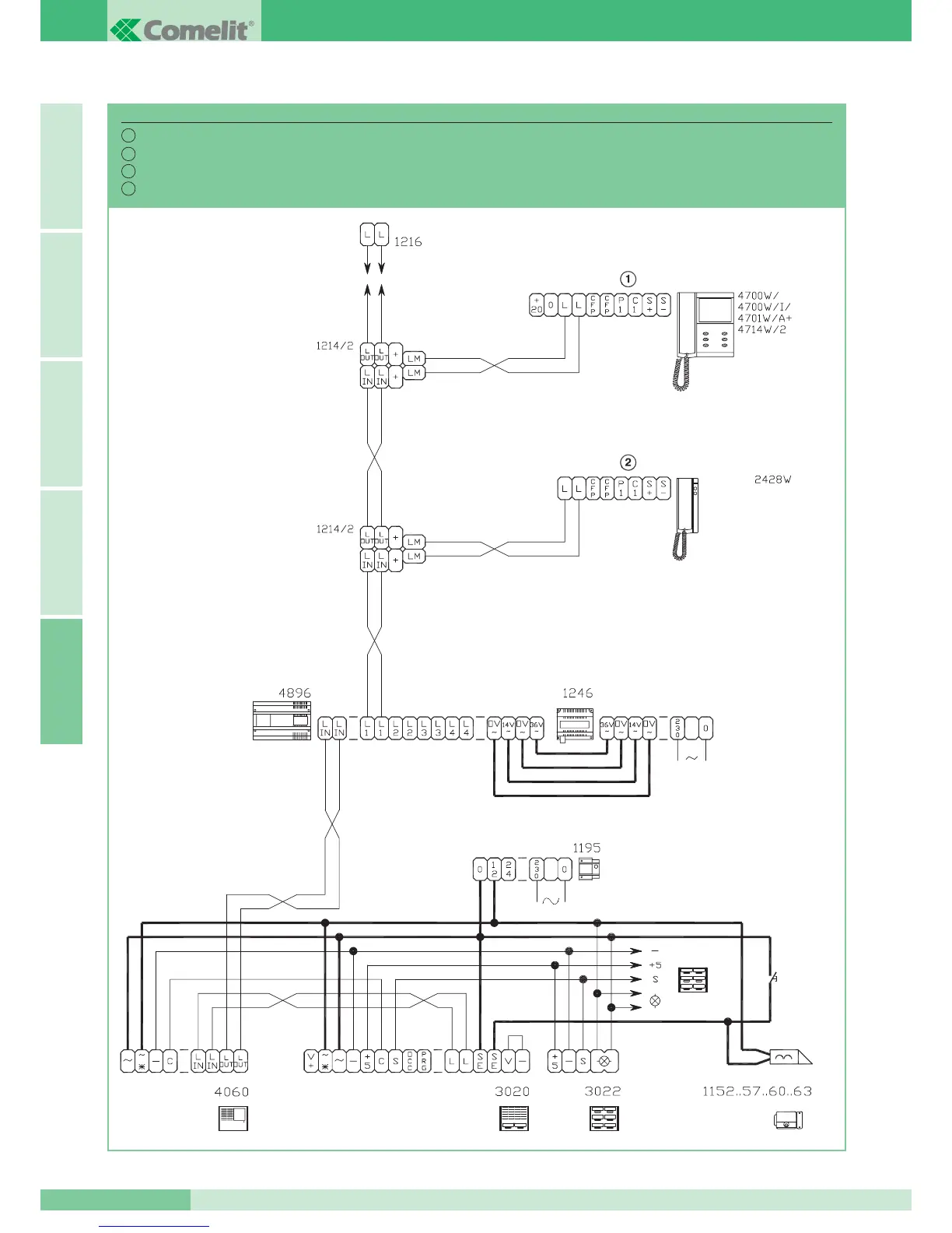
Impianto 1 porta video Serie Logicom.
System with 1 Logicom Series video entrance.
Installation avec 1 porte vidéo Série Logicom.
Installatie 1 video entreepaneel Serie Logicom.
SB2V/01L
I
GB
F
NL
GROUP S.P.A.
MT SB2 01
90
ITALIANOENGLISHFRANÇAISNEDERLANDSA

Table of Contents

Related product manuals